:+86 15106109009

:[email protected]

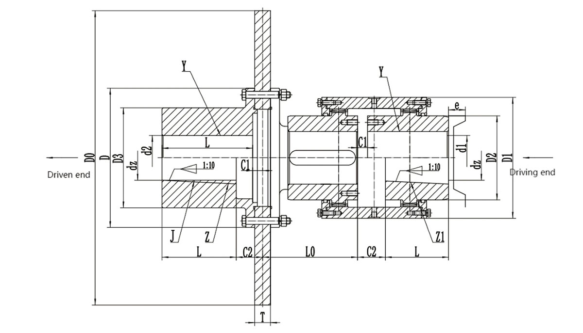
Disk tambur dişli kaplinli GAPK tipi (Q/YG 12009X-2018)

Ana sayfa / Ürünler / Elastik Olmayan Elemanlara Sahip Esnek Kaplinler / Disk tambur dişli kaplinli GAPK tipi (Q/YG 12009X-2018)
Disk tambur dişli kaplinli GAPK tipi (Q/YG 12009X-2018)

Disk tambur dişli kaplinli GAPK tipi (Q/YG 12009X-2018)

Disk fren durumlarıyla eşleşmeye uygun, ileri ve geri dönüşe izin veren, disk kampanalı dişli kaplinli GAPK tipi. Özellikleri şunlardır: büyük eksen sapmasını telafi edebilen çift tamburlu diş yapısı; Fren diski kaplinin pasif ucunda düzenlenir, fren diskinin ağırlığı ve çalışan fren yükü ve titreşimi tamamen yarım kaplin tarafından taşınır, böylece frenleme sırasında tambur dişlerinin birbirine geçme performansı artar. Maksimum frenleme torku, kaplinin güvenli ve güvenilir olan yapısal gücü ile sınırlı değildir. Kompakt yapı, fren diskinin iyi soğutma koşulları; Plug-in fren diski, cihazı çıkarmadan hızlı bir şekilde değiştirilmesini sağlar.

Bu nedenle, özellikle yükün, hızın ve yönün sık sık değiştiği ve nominal torkun 630-112000N.m olduğu ağır yükler için uygundur.

  • Disk tambur dişli kaplinli GAPK tipi (Q/YG 12009X-2018)
Ürün Parametreleri
Mesaj Gönder
Zhongye Heavy Industry Technology (Zhenjiang) Co., Ltd.
Zhongye Heavy Industry Technology (Zhenjiang) Co., Ltd.

Zhongye Heavy Industry Technology (Zhenjiang) Co., Ltd., ünlü bir tarihi şehir olan Zhenjiang'da yer almaktadır. Şirketimiz araştırma ve geliştirme, üretim ve satışları entegre etmektedir. Ürünlerimiz metalurji, madencilik, su, kaldırma, kağıt, liman ve diğer endüstrilerde yaygın olarak kullanılmaktadır. Ana ürünlerimiz arasında dişli kaplinler, elastik manşonlu kolon pimli kaplinler, elastik kolon pimli kaplinler, elastik pimli dişli kaplinler, üniversal kaplinler, kauçuk kaplinler, çene kaplinler, yıldız kaplinler, diyafram kaplinler, tambur kaplinler ve ızgara kaplinler, Oldham kaplinler, flanş kaplinler, klips kabuk kaplinler, GL tipi makaralı zincir kaplinler ve emniyet kaplinleri vb. yer almaktadır. Firmamız ayrıca standart dışı kaplinlerin tasarımını ve imalatını da desteklemektedir. Yeni atölye yaklaşık 16.463,52 m² alanı kapsıyor. 5.500 m² ağır inşaat atölyesi, 4.600 m² hassas atölyesi, 2.000 m² ofis binası ve spor salonu, 500 m² kantin, 1.000 m² deponun yanı sıra toplam 3.563 m² alana sahip yollar, çevre düzenlemesi ve otoparkları içermektedir.

Daha görüntüle
Haberler ve Etkinlikler
HABER GÜNCELLEMESI
  • 2026.05.28
    Diyafram Kaplinleri ve Metal Elastik Elemanlar Yeni Enerji Ekipmanlarında Güvenilirliği Nasıl Artırır?
    Yenilenebilir ve yeni enerji sistemlerine yönelik küresel geçiş, bir zamanlar genel sistem tasarımında ikincil kabul edilen mekanik bileşenler üzerinde olağanüstü talepler doğurdu. Bunlar arasında, yeni enerji ekipmanı için kaplinler aktarma organlarının verimliliğini, sistem ömrünü ve operasyonel güvenilirliği doğrudan etkileyen kritik unsurlar olarak ortaya çıkmıştır. Rüzgar türbinleri, güneş takip sürücüleri, hidrojen yakıt hücresi kompresörleri, elektrikli araç güç aktarma organları ve şebeke ölçekli enerji depolama sistemlerinin tümü, torku temiz bir şekilde iletmek, dinamik yükleri absorbe etmek ve gerçek dünyadaki kurulum ve çalıştırma sırasında ortaya çıkan kaçınılmaz yanlış hizalamalara uyum sağlamak için hassas kaplinlere dayanır. Bu daha geniş kategoride, metal elastik elemanlı esnek kaplinler en zorlu yeni enerji uygulamaları için tercih edilen çözüm olarak önemli bir ilgi kazandı. Polimer bazlı alternatiflerin sürdürmekte zorlandığı boyutsal hassasiyetten veya sıcaklık direncinden ödün vermeden, yüksek tork aktarım kapasitesini ölçülebilir esneklikle birleştirme yetenekleri, onları modern enerji altyapısını tanımlayan zorlu çalışma ortamlarına benzersiz şekilde uygun hale getiriyor. Metal Elastik Elemanlarla Esnek Kaplinleri Anlamak Esnek kaplin, iki şaftı (tipik olarak bir tahrik şaftı ve bir tahrik şaftı) birbirine bağlayan ve aralarındaki açısal, radyal ve eksenel yanlış hizalamaları dengeleyen mekanik bir cihazdır. Mükemmele yakın şaft hizalaması gerektiren ve titreşimi doğrudan bağlı bileşenler arasında ileten sert kaplinlerin aksine, esnek kaplinler aktarma organlarına kontrollü bir uyumluluk derecesi sağlar. Bu uyumluluk birden fazla işleve hizmet eder: en yüksek şok yüklerini azaltır, burulma titreşimlerini sönümler, termal genleşmeyi telafi eder ve bağlı rulmanların ve contaların servis ömrünü uzatır. Özellikle metal elastik elemanlara sahip kaplinlerde bu esneklik, kauçuk, poliüretan veya diğer polimer ara maddeler aracılığıyla değil, hassas bir şekilde tasarlanmış metalik bileşenler (çoğunlukla ince çelik diskler, diyaframlar, yaprak yaylar veya serpantin yay paketleri) aracılığıyla elde edilir. Bu elemanlar yük altında elastik olarak deforme olur, kalıcı deformasyon olmadan enerjiyi kontrollü, tekrarlanabilir bir şekilde depolar ve serbest bırakır. Sonuç, aynı anda esnek ve son derece dayanıklı olan, geniş sıcaklık aralıklarında ve polimer bozulmasının daha yumuşak alternatifleri güvenilmez hale getireceği ortamlarda çalışabilen bir bağlantıdır. Başlıca Metal Elastik Eleman Çeşitleri Metal elastik elemanların tasarım alanı geniştir ve farklı geometriler anlamlı derecede farklı performans özellikleri üretir. Yeni enerji ekipmanlarında en yaygın kullanılan türler şunlardır: Disk paketi kaplinleri: Bunlar, tahrik eden ve tahrik edilen taraftaki flanşlara dönüşümlü olarak cıvatalanmış bir dizi ince, hassas damgalanmış çelik disk kullanır. Tork altında diskler bükülme sırasında esner, açısal ve eksenel yanlış hizalamayı telafi ederken minimum boşlukla yüksek tork iletir. Disk paketi kaplinleri rüzgar türbini jeneratör bağlantılarında ve yüksek hızlı elektrik motoru test donanımlarında baskın bir seçimdir. Diyafram kaplinleri: Göbekler arasına kaynaklanmış veya cıvatalanmış bir veya daha fazla konturlu metal diyafram içeren diyafram kaplinleri, denge ve burulma sertliğinin çok önemli olduğu yüksek hızlı uygulamalarda mükemmeldir. Tek parçalı diyafram tasarımları, bağlantı elemanlarının yorulma noktalarını ortadan kaldırır ve hidrojen üretiminde ve sıvılaştırılmış doğal gaz işlemede kullanılan kompresörler de dahil olmak üzere turbo makinelerde tercih edilmelerini sağlar. Körüklü kaplinler: Oluklu metal körük elemanı, kompakt bir muhafaza içinde yüksek eksenel uyumluluk ve mükemmel açısal esneklik sunar. Körüklü kaplinler sıklıkla servo tahrikli güneş takip sistemlerinde ve sıfır boşluk ile yüksek burulma sertliğinin bir arada bulunması gereken hassas konumlandırma aşamalarında kullanılır. Serpantin yaylı kaplinler: Sinüzoidal çelik yay elemanı, iki göbek üzerindeki eşleşen dişlerle kenetlenerek kontrollü burulma esnekliği ve mükemmel şok emilimi ile tork iletimi sağlar. Bunlar genellikle endüstriyel jeneratör setlerinde ve enerji depolama volan sistemlerinde bulunur. Yaprak yaylı kaplinler (metal elemanlı Oldham tipi): Radyal olarak düzenlenmiş ince metal yapraklar, burulma sağlamlığını korurken radyal yanlış hizalamayı da karşılar ve önemli ölçüde paralel şaft kayması olan uygulamalara uygundur. Metal Elastik Elemanlar Yeni Enerji Bağlamlarında Neden Polimer Alternatiflerinden Daha İyi Performans Gösteriyor? Kauçuk örümcekler, poliüretan çene ara parçaları veya elastomerik lastik elemanları kullanan polimer esnek kaplinler onlarca yıldır endüstriye güvenilir bir şekilde hizmet vermiştir ve birçok standart uygulamada uygun olmaya devam etmektedir. Bununla birlikte, yeni enerji ekipmanının özel çalışma koşulları, polimer elementlerin mühendislikle çözülmesi zor olan sınırlamalarını ortaya çıkarmaktadır. Sıcaklık Dayanımı Yeni enerji sistemleri sıklıkla termal uç noktalarda çalışır. Açık deniz rüzgar türbinleri sıfırın altındaki Arktik koşullarda çalışmalıdır. Yoğunlaştırılmış güneş enerjisi (CSP) tesisleri aktarma organları bileşenlerini sürekli yüksek ortam sıcaklıklarına maruz bırakır. Hidrojen yakıt hücreli tesis dengesi kompresörleri, her start-stop olayıyla birlikte geniş termal aralıklar arasında geçiş yapar. Polimer bağlantı elemanları doğası gereği sıcaklığa duyarlıdır: elastomerler soğuk koşullarda sertleşip esnekliğini kaybeder, bu da şok iletimini artırır; yüksek sıcaklıklar ise sürünmeyi, sertleşmeyi ve sonunda çatlamayı hızlandırır. Bunun aksine, metal elastik elemanlar, alaşım seçimine bağlı olarak genellikle -60°C ila 300°C veya daha ilerisini kapsayan bir sıcaklık aralığında mekanik özelliklerini korur ve bu da onları yeni enerji sistemlerinin tüm operasyonel kapsamı boyunca doğası gereği daha güvenilir kılar. Yaşlanma ve Hizmet Ömrü Polimer malzemeler oksidasyon, UV bozunması, ozon saldırısı ve yorulma çatlaması gibi mekanizmalarla yaşlanır; bunların tümü dış mekanda veya enerji altyapısında yaygın olarak kullanılan kimyasal olarak aktif ortamlarda hızlanır. Çatı üstü güneş takip sürücüsüne takılan kauçuk bağlantı elemanı, sürekli UV ve ozona maruz kalma durumunda üç ila beş yıl içinde bozulmaya başlayabilir, bu da 25 yıllık hizmet ömrü için tasarlanmış bir sistemde titreşime ve sonunda arızaya neden olabilir. Metal elastik elemanlar, korozyonun olmaması (malzeme seçimi ve yüzey işlemi yoluyla yönetilir), tipik ekipman tasarımı ömrü boyunca anlamlı bir şekilde yaşlanmaz. Yorulma davranışları öngörülebilir ve mühendislik hesaplamalarına uygundur; bu da polimer elemanların aynı titizlikle destekleyemeyeceği güvenilir ömür tahminlerine olanak tanır. Burulma Sağlamlığı Tutarlılık Bir kaplinin burulma sertliği (uygulanan tork birimi başına açısal sapmaya karşı direnci), bağlı aktarma organlarının rezonans frekanslarını doğrudan etkiler. Sistem tasarımcıları bu sertlik değerini doğru bir şekilde bilmeli ve ekipmanın ömrü boyunca stabil kalacağına güvenebilmelidir. Polimer bağlantı sertliği sıcaklığa, yük geçmişine ve yaşa göre değişir ve rezonans frekanslarını beklenmedik titreşim sorunlarına yol açabilecek şekilde değiştirir. Metal elastik elemanlar, çevre koşullarına veya servis geçmişine göre değişmeyen tutarlı, iyi tanımlanmış bir burulma sertliği sağlayarak, tasarım aşamasında doğru rotor dinamiği analizine ve güvenilir rezonans önleme olanağı sağlar. Yağlamasız Çalışma Pek çok metal kaplin tasarımı (özellikle disk paketi, diyafram ve körük türleri) tamamen yağlama gerektirmez. Bu özellik, bakım erişiminin zor veya maliyetli olduğu yeni enerji uygulamalarında özellikle değerlidir: açık deniz rüzgar türbini motorları, uzak çöl güneş enerjisi tesisleri veya deniz altı gelgit enerjisi jeneratörleri. Yağlama gereksinimlerinin ortadan kaldırılması, bakım görevini, kirlenme riskini ve potansiyel arıza modunu aynı anda ortadan kaldırır. Yeni Enerji Ekipmanlarındaki Temel Uygulamalar Rüzgar Enerjisi: Türbin Aktarma Organları Rüzgar türbini aktarma organları, herhangi bir endüstrideki en zorlu bağlantı uygulamalarından birini temsil eder. Rotor göbeğini dişli kutusuna (veya doğrudan tahrikli konfigürasyonlarda doğrudan sabit mıknatıslı bir jeneratöre) bağlayan ana şaft, değişken rüzgar yükleri tarafından tahrik edilen dalgalanan torkları iletmeli, rotor itme kuvvetinden kaynaklanan bükülme momentlerini absorbe etmeli ve bu yüklerin neden olduğu şaft sapmalarını karşılamalıdır. Disk paketi kaplinleri bu arayüz için, özellikle de çok kademeli aktarma organlarındaki ana şaft-dişli kutusu bağlantısında, yüksek tork kapasitesinin, yanlış hizalamanın uyumunun ve titreşimli yük koşullarında kanıtlanmış yorulma ömrünün belirleyici avantajlar olduğu, geniş çapta belirtilmektedir. Şanzıman çıkışındaki yüksek hızlı jeneratör kaplinlerinde, üstün denge özellikleri ve daha büyük türbinlerde 1.500 RPM'yi geçebilen şaft hızlarına uygunluğu nedeniyle diyafram kaplinler sıklıkla tercih edilmektedir. Güneş Enerjisi: Takip Sistemi Sürücüleri Tek eksenli ve çift eksenli güneş takip sistemleri, gün boyunca fotovoltaik panelleri veya parabolik oluk kolektörlerini güneşe doğru yönlendirmek için elektrik motor sürücülerini kullanır. Motor çıkış mili ile izleyici tahrik girişi arasındaki bağlantı, düşük ila orta dereceli torku karşılamalı, 25 yıl veya daha uzun süre bakım gerektirmeden çalışmalı ve izleyici yapısının termal genleşmesinden kaynaklanan küçük ama kalıcı yanlış hizalamalara uyum sağlamalıdır. Körüklü kaplinler ve hassas disk kaplinler bu göreve çok uygundur; sıfır boşluk (doğru konumlandırma için gereklidir), yüksek burulma sertliği (duyarlı konumlandırma için) ve dünya çapındaki güneş enerjisi kurulum sahalarının tüm iklim aralığında tamamen yağlamasız çalışma sağlar. Hidrojen Üretimi: Kompresör ve Pompa Tahrikleri Elektroliz yoluyla yeşil hidrojen üretimi, hidrojeni depoya veya boru hattı basınçlarına getirmek için yüksek basınçlı kompresörler gerektirir ve bu kompresörler, hassas kaplinler aracılığıyla elektrik motorları tarafından çalıştırılır. Çalışma ortamı kimyasal olarak hassastır (hidrojen kırılganlığı bazı çelik kaliteleri için bilinen bir sorundur) ve planlanmamış arıza sürelerinin önemli ekonomik ve güvenlik sonuçları doğurduğu tesislerde güvenilirlik çok önemlidir. Hidrojene dayanıklı alaşımlardan (tipik olarak östenitik paslanmaz çelikler veya özel nikel alaşımları) üretilen diyafram kaplinleri, sıfır sızıntı tasarımları, yağlama gerektirmeyen çalışmaları ve çalışma sırasında motor ile kompresör muhafazaları arasındaki termal büyümeyi karşılama yetenekleri nedeniyle değer verilen bu uygulamalar için standart özelliklerdir. Akü Enerji Depolama Sistemleri (BESS) ve Volan Depolama Şebeke ölçeğinde enerji depolama, kısa süreli, yüksek çevrimli uygulamalar için volan sistemlerine ve daha uzun süreli depolama için motor-jeneratör setlerine giderek daha fazla güveniyor. Volan sistemleri özellikle olağanüstü dengeye sahip, minimum rüzgar kaybı olan ve yorulma arızası olmadan milyonlarca yük döngüsüne dayanma yeteneğine sahip kaplinler gerektirir. Dinamik olarak hassas toleranslarla dengelenmiş ve yüksek çevrimli yorulma direnci için seçilmiş diyafram ve körüklü kaplinler standart yaklaşımdır. Serpantin yaylı kaplinler, şebeke arızası olayları sırasında şok yük emiliminin öncelikli sorun olduğu daha büyük jeneratör seti kurulumlarında uygulama alanı bulur. Elektrikli Araç Güç Aktarma Organları Testi EV güç aktarma organlarının geliştirilmesi, saha kurulumu olmasa da büyük ölçüde test tezgahı bağlantı teknolojisine dayanır ve talepler ciddidir: yüksek dönme hızları, hızlı tork geri dönüşleri ve tahrik motoru ile dinamometre arasında hassas tork ölçümü ihtiyacı. Genellikle tork ölçüm flanşlarıyla entegre edilen disk paketi ve diyafram kaplinleri bu uygulama için standarttır ve test tezgahı montajının doğasında olan yanlış hizalamalara uyum sağlarken doğru dinamik ölçüm için gereken burulma sertliğini sağlar. Yeni Enerji Uygulamaları için Mühendislik Seçim Kriterleri Belirli bir yeni enerji uygulaması için metal elastik elemanlarla uygun esnek kaplinin seçilmesi, birbirine bağlı birçok parametrenin sistematik olarak değerlendirilmesini gerektirir. Tork Kapasitesi ve Servis Faktörü Bir kaplinin nominal tork değeri, uygulamanın maksimum sürekli torkuna uygun olmalıdır ancak bu yalnızca başlangıç ​​noktasıdır. Yeni enerji ekipmanı, nominal değerleri önemli ölçüde aşan tepe torkları uygulayan dinamik yüklerle (rüzgarlar, start-stop döngüleri, şebeke arıza olayları, deniz enerjisindeki dalga hareketi) karakterize edilir. Esnek disk kaplinler için ISO 14691 ve özel amaçlı kaplinler için API 671 dahil kaplin seçimine yönelik mühendislik standartları, bu dinamik koşulları hesaba katan servis faktörlerini belirler. Yeterli servis faktörü marjına sahip bir kaplin seçmek, hedef hizmet ömrüne ulaşmak ve erken yorulma arızalarından kaçınmak için çok önemlidir. Yanlış Hizalama Kapasitesi Kaplinin uyması gereken maksimum açısal, radyal ve eksenel kaçıklıklar, kurulum toleransları, termal büyüme hesaplamaları ve yapısal sapma analizinin birleşiminden belirlenmelidir. Metal elastik elemanlı kaplinler genellikle büyük yanlış hizalamalara karşı polimer muadillerine göre daha az toleranslıdır; özellikle disk ve diyafram kaplinleri, aşılması durumunda yorulma ömrünü önemli ölçüde azaltan tanımlanmış yanlış hizalama sınırlarına sahiptir. Kullanım sırasında tasarım amacını yerine getiremeyen bir kaplin belirlemekten kaçınmak için tasarım aşamasında doğru hizasızlık analizi yapılması önemlidir. Burulma Dinamiği Analizi Seçilen kaplinin burulma sertliği, aktarma organlarının tamamının rotordinamik özellikleriyle uyumlu olmalıdır. Çok sert bir bağlantı, sistemin burulma doğal frekanslarının çalışma hızı aralığına düşmesine izin vererek rezonansa ve yorgunluğun artmasına neden olabilir. Çok esnek bir kaplin, geçici yükleme altında aşırı burulma salınımına neden olabilir. Rotordinamik analiz (tipik olarak toplu parametreli burulma modelleri kullanılarak gerçekleştirilir) tasarım aşamasında, kaplinin burulma sertliği temel girdi parametresi olacak şekilde gerçekleştirilmelidir. Metal elastik eleman bağlantılarının tutarlı, iyi karakterize edilmiş sertliği, polimer alternatiflerinin değişken sertliğiyle karşılaştırıldığında bu analizde önemli bir avantajdır. Korozyon ve Çevresel Direnç için Malzeme Seçimi Açık deniz rüzgar kurulumları, tuzlu ve nemli atmosferlerde tam korozyon direnci gerektirir. Çöl güneş enerjisi kurulumları, termal döngüye ve aşındırıcı parçacıklara karşı direnç gerektirir. Hidrojen tesisi bağlantıları, hidrojen kırılganlığına karşı duyarlı olmamalıdır. Her ortam, kaplinin elastik elemanlarına, göbeklerine ve bağlantı elemanlarına özel malzeme gereksinimleri getirir. Zorlu ortamlar için paslanmaz çelik, çift yönlü paslanmaz, Inconel ve diğer özel alaşımlar mevcuttur ve doğru malzeme sisteminin belirlenmesi, doğru kaplin geometrisinin seçilmesi kadar önemlidir. Bakım Erişimi ve Servis Aralıkları Pek çok yeni enerji kurulumunda, kaplin bakım erişimi tasarım nedeniyle kısıtlanmıştır (açık deniz motor kaportaları, kapalı dişli kutusu muhafazaları veya kapatma süresinin pahalı olduğu sürekli proses tesisleri). Tasarım ömrü planlanan servis aralığına uygun veya bu süreyi aşan ve rutin görsel kontrollerin ötesinde yağlama veya periyodik muayene gerektirmeyen bir kaplinin seçilmesi, kullanım ömrü boyunca bakım maliyetlerini ve operasyonel riski en aza indirir. Disk, diyafram ve körüklü kaplinlerin bakım gerektirmeyen yapısı, onları bu kısıtlı erişim ortamları için doğal seçim haline getiriyor. Yeni Enerji Kaplin Şartnamesine İlişkin Standartlar ve Sertifikasyonlar Yeni enerji ekipmanına yönelik kaplinlerin mühendislik spesifikasyonu, amaca uygunluğu sağlamak ve nitelikli tedarikçilerden tedariki kolaylaştırmak için geçerli uluslararası standartlara referans vermelidir. Temel standartlar şunları içerir: ISO 14691: Petrol, petrokimya ve doğal gaz endüstrileri - mekanik güç aktarımı için esnek disk kaplinleri - birçok yeni enerji makine treni için geçerli olan geometri, derecelendirme ve test gerekliliklerini belirtir. API671: Petrol, kimya ve gaz endüstrisi hizmetlerine yönelik özel amaçlı kaplinler — enerji dönüşümü kapsamında hidrojen ve LNG uygulamalarında giderek daha fazla referans alınan, kritik makine kaplinlerine yönelik en üst düzey spesifikasyon. IEC 61400 serisi: Rüzgar enerjisi ekipmanı için güvenilirlik, yük ve test gerekliliklerini belirleyen, kaplin seçiminin buna uygun olduğunun gösterilmesi gereken rüzgar türbini standartları. AGMA 9000 serisi: Amerikan Dişli Üreticileri Birliği'nin sınıflandırma, seçim kılavuzu ve denetim kriterleri sağlayan esnek bağlantı standartları. GL/DNV standartları: Açık deniz ve deniz enerjisi uygulamaları için, DNV GL'nin (şu anda DNV) sınıflandırma topluluğu standartları, açık deniz rüzgar ve dalga enerjisi dönüştürücülerindeki bağlantıların karşılaması gereken çevresel ve yapısal gereksinimleri sağlar. Yeni Enerjide Metal Elastik Kaplinlerin Geleceği Yeni enerji sistemleri güç çıkışında büyümeye ve coğrafi dağıtımda küçülmeye devam ettikçe, mekanik bileşenlerine yönelik talepler de buna göre yoğunlaşacak. Açık deniz rüzgar türbinlerinin nominal gücü artık 15 MW'ı aşıyor; rotor çapları 230 metreyi aşıyor ve ana şaft torkları geleneksel kaplin tasarımlarının sınırlarını zorlayan seviyelere ulaşıyor. Yüzen açık deniz rüzgar platformları, sabit temel uygulamalarında benzeri görülmemiş çok eksenli sapma yüklerini uygulayan dinamik hareketler sağlar. Yeşil hidrojen elektrolizör çiftlikleri, daha önce hidrojen hizmetinde kullanılmamış boyut ve miktarda endüstriyel kompresör trenleri gerektiren gigawatt ölçekli kurulumlara doğru ölçekleniyor. Buna karşılık, yeni enerji sektörüne hizmet veren kaplin üreticileri metal elastik eleman tasarımlarını birkaç paralel geliştirme yolu ile ilerletiyorlar: minimum kütlede maksimum yorulma ömrü için disk ve diyafram geometrilerinin hesaplamalı optimizasyonu; geleneksel işleme veya damgalama yoluyla elde edilemeyen karmaşık elastik eleman geometrileri için eklemeli imalatı içeren ileri imalat teknikleri; yorulma performansından ödün vermeden açık deniz ortamlarında korozyon direncini artıran yüzey işleme yenilikleri; ve uzak kurulumlarda gerçek zamanlı tork ölçümüne ve erken yorulma tespitine olanak tanıyan, gerinim ölçerlerin veya akustik emisyon sensörlerinin doğrudan kapline yerleştirilmesiyle sağlanan entegre durum izleme yetenekleri. Bu gelişmeler, metal elastik elemanlara sahip esnek kaplinlerin, mümkün kıldıkları sistemlerle birlikte adım adım gelişerek yeni enerji ekipmanlarına yönelik aktarma organları teknolojisinde ön planda kalmasını sağlar. Metal elastik elemanlara sahip esnek kaplinler, yeni enerji ekipmanlarının zorlu gereksinimlerine benzersiz şekilde uygun, olgun ancak sürekli gelişen bir teknolojiyi temsil eder. Yüksek tork kapasitesi, tutarlı burulma sertliği, geniş sıcaklık toleransı, uzun servis ömrü ve bakım gerektirmeyen çalışma kombinasyonu, rüzgar, güneş, hidrojen ve enerji depolama uygulamalarını tanımlayan zorlukları tam olarak giderir. Yeni enerji ekipmanı için kaplinleri belirleyen mühendisler için, metal elastik elemanlı kaplin türlerinin, bunların performans özelliklerinin ve seçimlerini belirleyen mühendislik kriterlerinin kapsamlı bir şekilde anlaşılması, güvenilir, verimli ve gelecek yılların enerji sistemlerine hazır aktarma organları tasarımları için temel bir temeldir.
  • 2026.05.14
    Ağır ekipmanlarda şaft kaplinlerinin rolü nedir?
    birğır ekipmanbenarda (kırıcılar, değirmenler, pompalar, kompresörler, konveyörler ve endüstriyel sürücüler) şaft kaplini, güç kaynağı ile tahrik edilen yük arasındaki mekanik bağlantıdır. Yanlış kaplini seçmek ve boyutlandırmak beklenmedik arıza sürelerine neden olmanın en güvenilir yollarından biridir: çok küçük kaplinler tepe tork altında başarısız olur, çok büyük kaplinler gereksiz kütle ve atalet ekler ve yanlış hizalama veya şok koşulları dikkate alınmadan seçilen kaplinler hızla bozulur. Bu kılavuz, tork hesaplamalarından servis faktörlerine, yanlış hizalama kapasitesine, burulma analizine ve son seçim kriterlerine kadar tüm boyutlandırma sürecini kapsar. birğır Ekipmanlarda Şaft Kaplinlerinin Rolünü Anlamak Şaft kaplini, torku ve dönüş hızını iletmek için iki dönen şaftı (tipik olarak bir sürücü (motor, motor veya dişli kutusu çıkışı) ve tahrik edilen bir makine) birbirine bağlar. Ağır ekipmanlarda kaplinlerin bunu, iyi tanımlanmamış bir bileşeni tahrip edecek koşullar altında yapması gerekir: yüksek sürekli tork, kırıcı çenelerinden veya kompresör pistonlarından sık sık gelen şok yükleri, termal döngü, temel oturması veya termal büyümenin neden olduğu şaft yanlış hizalaması ve onlarca yıllık sürekli çalışma. Basit tork aktarımının ötesinde, ağır endüstriyel ortamlardaki kaplinler birçok ek fonksiyona hizmet eder: Yanlış hizalama konaklama: Kurulum sırasında tamamen giderilemeyen veya servis sırasında gelişen açısal, paralel ve eksenel mil kaçıklıklarını telafi etmek Titreşim sönümleme: Aksi takdirde dişli kutularına, motorlara ve tahrik edilen ekipmanlara yayılacak burulma titreşimi artışlarını hafifletir Aşırı yük koruması: Tercihen daha pahalı alt bileşenleri korumada başarısız olan mekanik bir sigorta görevi görür Elektrik izolasyonu: Belirli endüstriyel ortamlarda kaçak akımların milden mile geçmesinin önlenmesi Ağır Ekipmanlarda Kullanılan Kaplin Çeşitleri Tip seçimi boyutlandırmadan önce gelir. Bir kaplinin tork kapasitesi, yanlış hizalama toleransı ve dinamik davranışı tamamen tasarımına bağlıdır. Her tipin, belirli bir ağır ekipman uygulamasına uygunluğunu belirleyen belirli güçlü yönleri ve sınırlamaları vardır. Dişli kaplin Tüm ürünler arasında en yüksek tork yoğunluğu esnek kaplin . Sertleştirilmiş dişli dişleri yükü iletir. Açısal ve paralel yanlış hizalamaya uyum sağlar. Yağlama gerektirir. Yüksek tork Esnek Çene / elastomerik kaplin Elastomerik örümcek şoku emer ve titreşimi sönümler. Orta tork kapasitesi. Kuru koşu. Örümcek elemanı, fedakar aşınma bileşenidir. Esnek Şok emici Izgara bağlantısı Yaylı çelik ızgara elemanı, kademeli burulma sertliği ve şok emilimi sağlar. Boyutuna göre yüksek tork kapasitesi. Konveyörlerde ve pompalarda yaygın olarak kullanılır. Esnek Yüksek tork Disk paketi bağlantısı İnce metalik disk paketleri torku yağlama gerektirmeden iletir. Yüksek burulma sertliği. İyi hizalama kapasitesi. Hassas tahriklerde ve turbomakinelerde yaygındır. Metalik esnek Burulma açısından sert Akışkan / hidrolik kaplin Doğal yumuşak başlangıç ve kayma özelliğine sahip hidrodinamik tork aktarımı. Mekanik bağlantı yok; konveyörler ve fanlar üzerindeki yüksek ataletli başlatma yükleri için idealdir. Hidrodinamik Yumuşak başlangıç Rijit bağlantı Yanlış hizalama konaklaması yok. Yalnızca millerin hassas şekilde hizalandığı ve sağlam bir şekilde tutulduğu yerlerde kullanılır. En düşük maliyet ancak en yüksek hizalama gereksinimi. Ağır ekipmanlarda nadirdir. Sert Pim ve burç bağlantısı Çelik pimler üzerindeki lastik burçlar. İyi şok emilimi ve orta derecede yanlış hizalama. Proses endüstrilerinde pompa tahriklerinde ve kompresör bağlantılarında yaygın olarak kullanılır. Esnek Lastik (lastik) bağlantısı Kalıplanmış kauçuk lastik elemanı, yüksek hizasızlık kapasitesi ve titreşim yalıtımı sağlar. Orta tork. Yanlış hizalamanın önemli veya değişken olduğu durumlarda kullanışlıdır. Yüksek yanlış hizalama. Adım 1 — İletilen Nominal Torku Belirleyin Her boyutlandırma hesaplaması, iletilen nominal torkla başlar. Sürücü gücü ve hızı biliniyorsa nominal tork doğrudan hesaplanır: Nominal İletilen Tork T n = (P × 9550) / n T n = nominal tork (N·m) P = iletilen güç (kW) n = şaft hızı (RPM) 9550 = birim dönüştürme sabiti (kW ve RPM'yi N·m'ye dönüştürür) İngiliz birimlerinde alternatif: T n (lb·in) = (P (HP) × 63.025) / n (RPM) Ağır ekipmanlarda "nominal" tork, tam tasarım yükü altında ortalama kararlı durum torkudur. Bu, kaplinin hayatta kalması gereken en yüksek tork değildir; bu rakam bir sonraki adımda servis faktörleri kullanılarak elde edilir. Kullanılan güç rakamının motor etiket gücü, dişli kutusu verimlilik kayıplarından sonraki şaft çıkış gücü veya tahrik edilen makinenin tasarım çalışma noktasındaki gerçek talebi olup olmadığını her zaman doğrulayın. Çoklu güç kaynakları ve tork toplamı Bazı ağır ekipman düzenlemeleri, ortak bir şaftı çalıştıran çift motor veya çoklu giriş pinyonlu dişli kutuları kullanır. Bu durumlarda torklar bağlantı noktasında cebirsel olarak eklenir. Şaft birleşik yük taşıdığında kaplini asla tek bir motorun isim plakasına göre boyutlandırmayın; sistemin serbest gövde diyagramından kaplin düzlemindeki gerçek torku hesaplayın. Adım 2 – Tasarım Torkunu Belirlemek İçin Hizmet Faktörlerini Uygulayın Nominal tork temeldir. tasarım torku - kaplin seçimi için kullanılan değer - tepe yüklerini, şok olaylarını, başlatma torkunu ve uygulamanın ciddiyetini hesaba katar. Bu, nominal torkun bileşik servis faktörüyle çarpılmasıyla yapılır: Tasarım Torku T tasarım = T n × f s T tasarım = tasarım torku (N·m) — kaplinin nominal torku T'yi aşmamalıdır KN T n = iletilen nominal tork (N·m) f s = bileşik hizmet faktörü (boyutsuz) — geçerli tüm alt faktörlerin çarpımı Bileşik servis faktörü, her biri kararlı durum nominal torkunun ötesinde farklı bir yükleme kaynağına hitap eden çeşitli bileşenlerden oluşur: Alt faktör Açıklama Ağır ekipmanlar için tipik aralık f A — Uygulama / yük türü Tahrik edilen yükün doğasını hesaba katar: düzgün, orta derecede şok, ağır şok 1,0 (düzgün) ila 3,0 (ağır darbe, örneğin çeneli kırıcı) f S — Başlatma / tepe torku Elektrik motorları, doğrudan hat üzerinde başlatma sırasında 2–4 kat isim plakası torku üretir Doğrudan çevrimiçi için 1,5–3,5; VFD veya yumuşak başlangıç için 1,0–1,5 f T — Sıcaklık Yüksek çalışma sıcaklıklarında elastomerik elemanların nominal torkunu azaltır ≤50°Ç'de 1,0; 80–100°C çalışma ortamlarında 1,5'a kadar f H — Günlük saat / görev döngüsü Sürekli 24 saatlik çalışma, 8 saatlik vardiyalardan daha yüksek değer kaybı gerektirir 1,0 (≤8 saat/gün) ila 1,25 (24 saat/gün sürekli) f M — Yanlış hizalamanın ciddiyeti Daha yüksek yanlış hizalama, bağlantı elemanlarına ek bükülme yükleri uygular İzin verilen torkun azaltılması olarak uygulanır — üreticiye göre kontrol edin Hizmet faktörü tabloları evrensel değildir Farklı kaplin üreticileri kendi servis faktörü tablolarını yayınlar ve aralarındaki değerler farklılık gösterir. Her zaman kaplin boyutunu belirlediğiniz üreticinin servis faktörü tablosunu kullanın. Farklı kaynaklardan gelen faktörlerin karıştırılması hesaplamada sistematik hataya neden olur. Adım 3 — Tepe ve Şok Tork Koşullarını Belirleyin Ağır ekipmanlarda tasarım torku ile tepe torku arasındaki ayrım kritik öneme sahiptir. Tasarım torku (nominal torkun servis faktörleriyle çarpımı) sürekli çalışma ve yorulma ömrü seçimini belirler. Ancak kaplinin aynı zamanda plastik deformasyon veya kırılma olmadan ara sıra meydana gelen zirve olaylarına da dayanması gerekir. Ağır ekipmanlarda yaygın olarak görülen tepe tork olayları şunları içerir: Motorun çalıştırılması sırasında durma torku: Doğrudan hat üzerinde başlatmalar için kilitli rotor torku, büyük sincap kafesli motorlarda 6–8 kat nominal torka ulaşabilir. Kaplin, makine her çalıştırıldığında bu yükü görür. Kırıcı veya parçalayıcıda sıkışma ve serbest bırakma: Çeneli kırıcı kırılamayan malzemeye sıkıştığında ve aniden serbest kaldığında, aktarma organlarında depolanan elastik enerji, çalışma torkunun 3-5 katı olabilen bir tork artışı olarak boşalır. Kompresör geri basıncı dalgalanmaları: pistonlu kompresörler, her silindir ateşleme olayında önemli tork dalgalanmaları oluşturur; genlik, silindir sayısına ve hıza bağlıdır. Konveyör bandının kayması ve yakalanması: Tahrik kasnağı üzerinde kayan ve ardından kavrayan yüklü bir kayış, itici bir tork üretir. Bağlantının maksimum tepe tork değeri (T maksimum veya T KS birçok katalogda) belirlenen tüm zirve olaylarını yeterli bir güvenlik marjıyla aşmalıdır. Ağır endüstriyel ekipmanlar için minimum T oranı KS /T tasarım 1,5–2,0 önerilir. Kırıcılar ve benzeri yüksek şoklu makineler için 2,0–3,0 daha uygundur. Adım 4 — Şaft Yanlış Hizalamasını Ölçün Hizmetteki ağır ekipmanlarda mükemmel şaft hizalaması mevcut değildir. Temel oturması, sıcak ekipmanın termal büyümesi, yatak aşınması ve montaj toleranslarının tümü, kaplinin aşırı bükülme yükleri, titreşim veya esnek elemanlarının erken aşınmasına yol açmadan tolere etmesi gereken yanlış hizalamaya neden olur. Üç tür yanlış hizalama ayrı ayrı ölçülmeli ve kaplinin nominal kapasitesiyle karşılaştırılmalıdır: Yanlış hizalama 01 Açısal yanlış hizalama Derece veya miliradyan cinsinden ölçülen, iki şaft merkez çizgisi arasındaki açı. Diferansiyel termal büyüme ve temel eğimi nedeniyle ağır ekipmanlarda en yaygın tip. Yanlış hizalama 02 Paralel (radyal) yanlış hizalama Şaft merkez çizgileri arasındaki yanal sapma, mm cinsinden ölçülür. Hizalama hatası, yatak aşınması veya yapısal sapmadan kaynaklanır. En çok bağlantı elemanlarına zarar verir. Yanlış hizalama 03 Eksenel yanlış hizalama (uç şamandıra) Mil uçları arasında termal genleşme, itme yükleri veya rulmanlardaki uç oynama nedeniyle oluşan eksenel yer değiştirme. Kaplinin eksenel hareket aralığı dahilinde kalmalıdır. Birden fazla hizasızlık türü aynı anda mevcut olduğunda (gerçek kurulumlarda hemen hemen her zaman böyledir), bunlar birbiriyle etkileşime girer ve her türün izin verilen kapasitesini azaltır. Üreticinin boyutlandırma yöntemlerinin çoğu birleşik bir yanlış hizalama faktörü kullanır veya diğerleri sıfırdan farklıyken her bir bileşenin maksimum nominal değerinin azaltılmış bir kısmı içinde kalmasını gerektirir. Yaygın olarak uygulanan temel kural şudur: Kombine Yanlış Hizalama Kontrolü (Δα / Δα maksimum ) (Δr / Δr maksimum ) (Δa / Δa maksimum ) ≤ 1,0 Δα = gerçek açısal sapma; Δα maksimum = nominal maksimum açısal sapma Δr = gerçek paralel sapma; veya maksimum = nominal maksimum paralel ofset Δa = gerçek eksenel yer değiştirme; Δa maksimum = nominal maksimum eksenel yer değiştirme Toplam 1,0'ı aşarsa kaplin yanlış hizalama zarfının ötesinde çalışıyor demektir. Kurulum hizalaması için değil, hizmet içi yanlış hizalama için tasarım Soğuk kurulum sırasında elde edilen hizalama hassasiyeti hiçbir zaman en kötü durumu temsil etmeyecektir. Motor ve dişli kutusu muhafazalarının termal büyümesi de dahil olmak üzere, makinenin sıcak, yüklü, kararlı durum çalışması sırasında karşılaşacağı maksimum yanlış hizalamayı her zaman belirleyin ve kaplini, soğuk hizalama rakamını değil, bu durumu tolere edecek şekilde boyutlandırın. Adım 5 — Ağır Ekipman Sürücüleri için Burulma Titreşimi Analizi Her dönen aktarma organı, sistemdeki millerin, kaplinlerin ve diğer elemanların atalet dağılımı ve burulma sertliği değerleri tarafından belirlenen doğal burulma frekanslarına sahiptir. Motor tork dalgalanması, dişli ağı, pistonlu kompresör ateşlemesi veya değişken hızlı sürücü harmoniklerinden kaynaklanan bir uyarılma frekansı, doğal bir frekansla çakışırsa, burulma rezonansı meydana gelir. Ortaya çıkan tork artışı, nominal değerin birçok katı olabilir ve kaplinlerin, kama yuvalarının ve millerin hızlı yorulma arızasına neden olabilir. Değişken hızlı tahriklere sahip ağır ekipmanlar, pistonlu makineler veya başlatma işleminin geniş bir hız aralığında olduğu durumlarda, kaplin seçimini tamamlamadan önce tam bir burulma analizi zorunludur. İhtiyaç duyulan temel parametreler şunlardır: Kütle eylemsizlik momenti (J) tüm dönen bileşenlerin (motor rotoru, kaplin göbekleri, dişli kutusu elemanları, tahrikli makine rotoru) kg·m² cinsinden Burulma sertliği (C T ) N·m/rad cinsinden her şaft segmenti ve bağlantı elemanının sayısı Uyarma frekansları — sistemdeki tüm periyodik tork kaynaklarının temel ve harmonikleri Sönümleme özellikleri kaplin esnek elemanının rezonans genliğini sınırlamak için kritik öneme sahip İki Kütleli Burulma Doğal Frekansı (basitleştirilmiş) f n = (1 / 2π) × √( C T × (J 1 J 2 ) / (J 1 × J 2 )) f n = doğal frekans (Hz) C T = kaplinin burulma sertliği (N·m/rad) J 1 = sürücü tarafındaki kütlenin eylemsizlik momenti (kg·m²) J 2 = tahrik edilen taraftaki kütlenin eylemsizlik momenti (kg·m²) Bu basitleştirilmiş formül, iki gövdeli toplu model için geçerlidir. Gerçek sistemler, uzman yazılımlarla çoklu gövde modellemeyi gerektirir. Bağlantının torsional stiffness is a key design variable in this analysis. Soft elastomeric couplings have low C T doğal frekansları aşağıya doğru kaydırır; potansiyel olarak çalışma hızı uyarımlarından uzağa, ancak potansiyel olarak başlatma hızı aralığına. Sert metalik disk veya dişli kaplinler yüksek C değerine sahiptir T doğal frekansları çalışma hızının çok üstüne yerleştirir. İkisi de evrensel olarak doğru değildir; sonuç, spesifik sisteme ve uyarılma spektrumuna bağlıdır. Adım 6 — Katalogdan Kaplin Boyutunu Seçin Tasarım torku, tepe torku, yanlış hizalama zarfı, delik boyutları ve burulma sertliği gereksinimleri tanımlandığında, artık üretici programından belirli bir kaplin boyutu seçebilirsiniz. Kabul için minimum gereksinimler şunlardır: Parametre Gereksinim Notlar Nominal sürekli tork T KN T KN ≥ T tasarım Katalog sürekli tork değeri, hesaplanan tasarım torkunu karşılamalı veya aşmalıdır Tepe torku T KS T KS ≥ T zirve × güvenlik faktörü Şok şiddetine bağlı olarak 1,5–3,0 güvenlik faktörü ile Delik kapasitesi Maksimum delik ≥ mil çapı Hem sürücü hem de tahrik edilen mil deliklerini kontrol edin; farklı olabilirler Yanlış hizalama değerleri Nominal kapasite dahilindeki üç yanlış hizalama türünün tamamı Adım 4'e göre birleşik hizasızlık kontrolü ≤ 1,0'ı karşılamalıdır Maksimum hız n maksimum,coupling ≥ çalışma hızı Esnek eleman merkezkaç gerilimi ve dengesi açısından kritiktir Burulma sertliği C T Burulma analizi sonucuyla uyumlu Doğal frekansı çalışma hızı aralığına yerleştirmemelidir Adım 7 — Delik ve Kama Yuvası Kapasitesini Doğrulayın Göbek deliği ve kama yuvası, şaftı, göbeği veya kamayı gevşetmeden tasarım torkunun tamamını iletmelidir. Ağır ekipmanlarda en yaygın düzenleme olan paralel kama bağlantısı için kamanın boyutu belirlenir ve hem kesme hem de basınç yatağı gerilimi açısından kontrol edilir: Anahtar Kesme Gerilme Kontrolü τ = (2 × T tasarım ) / (d × g × l etkili ) ≤ τ izin verilebilir τ = kama üzerindeki kayma gerilimi (MPa) T tasarım = tasarım torku (N·mm — tutarlı birimler kullanın) d = mil çapı (mm) w = anahtar genişliği (mm) l etkili = Etkin kama kavrama uzunluğu (mm) — göbek veya mil kama yuvası uzunluğundan küçük olanı kullanın τ izin verilebilir = anahtar malzemesi için izin verilen kayma gerilimi — C45 çelik anahtar için tipik olarak 80–100 MPa Anahtar Basınç (Rulman) Stres Kontrolü σ c = (4 × T tasarım ) / (d × y × d etkili ) ≤ σ c, izin verilebilir σ c = Anahtar yan yüzeylerdeki basınç gerilimi (MPa) h = anahtar yüksekliği (mm) σ c, izin verilebilir = izin verilen basınç gerilimi - orta karbonlu çelik göbekteki kama yuvası için tipik olarak 150–200 MPa Basınç kırılması tipik olarak standart önemli oranlar için kesme kırılmasından önce geçerlidir. Ağır şok uygulamaları (kırıcılar, parçalayıcılar ve ters çevirme sürücüleri) için tek bir paralel kama yerine spline bağlantısını düşünün. Kamalar, yükü birden fazla dişe dağıtarak, ağır endüstriyel tahriklerde şaft yorulması çatlaklarının en yaygın başlangıç ​​noktası olan kama yuvası kökündeki gerilim konsantrasyonlarını önemli ölçüde azaltır. Ağır şok servisinde kama yuvası gerilim konsantrasyonu Kama yuvası, burulma durumunda şaft üzerinde 2,0-3,0 arasında bir gerilim konsantrasyon faktörü (Kt) oluşturur. Ağır şok servisinde bu, kaplin göbeğindeki şaftın etkin yorulma ömrünü önemli ölçüde azaltır. Tepe torkları yüksekse ve ters dönüşler sık ​​oluyorsa, kaplin boyutuyla birlikte bir şaft yorulma analizine başvurun; kaplinin kendisi değil, genellikle kama yuvasındaki şaft ilk arıza noktasıdır. Adım 8 – Kütle Atalet Momenti ve Başlangıç Yükünün Doğrulanması Tahrik tarafı büyük ataletli ağır ekipmanlarda (uzun konveyör sistemleri, büyük değirmenler, yüksek ataletli fanlar), motorun bağlı ataleti hareketsiz durumdan tam hıza kadar hızlandırması gerekir. Kaplin bu hızlanma torkunu başlangıç ​​periyodu boyunca iletir. Sürücü yumuşak yolverici veya değişken frekanslı sürücü kullanmıyorsa, kaplindeki başlatma torku, nominal çalışma torkundan çok daha yüksek olabilir. Başlatma Sırasında Hızlanma Torku T hesap = J toplam × α = J toplam × (2π × Δn) / (60 × t hesap ) T hesap = Bağlantıda gerekli hızlanma torku (N·m) J toplam = Tahrik edilen sistemin toplam yansıtılan atalet momenti (kg·m²) α = açısal ivme (rad/s²) Δn = 0'dan çalışma hızına (RPM) hız değişimi t hesap = hızlanma süresi (saniye) Kaplin T'yi taşımalıdır motor, başlat - T yükle, başlat T hesap başlangıç geçici sırasında eşzamanlı olarak. Akışkan kaplinler ve yumuşak başlatma özelliklerine sahip kaplinler için, tahrik edilen tarafa iletilen başlatma torku, kaplin tasarımı nedeniyle doğası gereği sınırlıdır. Sert elemanlı kaplinler (dişli, disk, ızgara) için motor başlatma torkunun tamamı iletilir ve kaplinin bunu kaldırabilecek boyutta olması gerekir. Pratik Boyutlandırma Örneği: Konveyör Tahrik Kaplini Bantlı bir konveyör, sıvı kaplini ve dişli kutusu aracılığıyla 315 kW, 1.485 devir/dakika motorla çalıştırılır. Dişli kutusu çıkış milindeki kaplin (mil çapı 140 mm, 10:1 dişli kutusundan sonra hız 148,5 dev/dak) boyutlandırılmalıdır. Uygulama orta derecede şok yükleri (cevher konveyörü), 24 saat sürekli çalışmayı içerir. Kaplindeki nominal tork: T n = (315 × 9550) / 148,5 = 20,252 N·m Hizmet faktörleri: uygulama faktörü f A = 1,5 (orta şok, cevher); görev faktörü f H = 1,25 (24 saat/gün); sıcaklık faktörü f T = 1,0 (ortam hizmeti). kompozit f s = 1,5 × 1,25 × 1,0 = 1.875 Tasarım torku: T tasarım = 20,252 × 1,875 = 37.973 N·m → ≥ 38 kN·m dereceli kaplini seçmek için yuvarlayın Tepe tork kontrolü: iletilen motor başlatma torku (sıvı bağlantısı bunu sınırlar) — onaylandı ≤ 2× T n sıvı bağlantı karakteristiği ile. Tepe torku = 2 × 20,252 = 40.504 N·m . T ile bağlantıyı seçin KS ≥ 60 kN·m (1,5× zirvede güvenlik) delik: 140 mm şaft — seçilen kaplin boyutunun DIN 6885'e göre kama yuvalı 140 mm deliğe uygun olduğunu onaylayın Sonuç: 45–50 kN·m sürekli derecelendirme aralığında 80 kN·m tepe derecelendirmesine sahip bir şebeke bağlantısı tüm kriterleri karşılar Ağır Ekipman Uygulamalarında Yaygın Boyutlandırma Hataları Servis faktörleri olmadan yalnızca nominal güce göre boyutlandırma. Ağır ekipmanlarda servis faktörleri nominal torku rutin olarak iki veya üç katına çıkarır. Bunların atlanması sistematik olarak küçük boyutlu bir kaplin üretir. Kaplin konumunda gerçek şaft torku yerine motor etiketindeki gücün kullanılması. Bir dişli kutusundan sonra tork, dişli oranıyla çarpılır (daha az verimlilik kaybı). 10:1 dişli kutusunun çıkış tarafındaki kaplin, motor şaftı torkunun 10 katı kadarını görür. Değişken hızlı sürücülerde burulma rezonansının göz ardı edilmesi. VFD'ler hızlanma sırasında geniş bir frekans aralığını tarar. Burulma analizi yapılmazsa sistem normal çalışma aralığına giren bir hızda rezonansa girebilir. Soğuk hizalama yanlış hizalamasını maksimum olarak belirtme. Büyük motorların, dişli kutularının ve proses ekipmanlarının termal büyümesi, çalışma sıcaklığında birkaç milimetrelik sapma yaratabilir. Sıcak çalışma koşulu için boyut. Hızı kontrol etmeden tork gereksinimini karşılayan en küçük kaplin seçimi. Elastomerik elemanlı büyük kaplinler, merkezkaç geriliminin neden olduğu maksimum hız sınırlarına sahiptir. Yüksek hızlarda, tork kapasitesi yeterli olsa bile bir sonraki daha büyük boyut gerekli olabilir. Göbek-şaf uyumu doğrulamasının ihmal edilmesi. Tork açısından doğru boyutlandırılmış ancak yetersiz sıkı geçme veya küçük boyutlu bir kama ile takılan bir kaplin, kaplin elemanının kendisinde değil, mil bağlantısında yine de başarısız olacaktır. Kurulum Öncesi ve Devreye Alma Kontrol Listesi Şaft çaplarının kaplinin delik spesifikasyonuna uyduğunu doğrulayın; ölçün, varsaymayın Kama yuvası boyutlarının kaplin veri sayfasında referans verilen standarda uygun olduğunu doğrulayın (genellikle DIN 6885 veya ANSI B17.1) Son kaplin kurulumundan önce soğuk hizalama ofsetlerini ölçün ve kaydedin Montajdan önce kaplin elemanının veya örümceğin durumunu doğrulayın; herhangi bir aşınma veya çatlama belirtisi varsa değiştirin Tüm göbek bağlantı elemanlarına doğru torku uygulayın — düşük torklu bağlantı elemanları, ağır tahriklerdeki bağlantı cıvatası arızalarının başlıca nedenidir Kaplin tertibatının eksenel konumunun doğru olup olmadığını kontrol edin — kaplin göbekleri, kurulum çizimine göre belirtilen boşluğa (DBSE — mil uçları arasındaki mesafe) ayarlanmalıdır. Çalışma sıcaklığındaki ilk tam termal döngüden sonra hizalamayı yeniden kontrol edin ve bağlantı elemanlarını yeniden torklayın Esnek bağlantı elemanları için bir muayene aralığı belirleyin - elastomerler, yükleme saatlerinden bağımsız olarak yaşla birlikte sertleşir ve çatlar Ağır ekipmanlar için şaft kaplinlerinin boyutlandırılması, delik çapının şaftla eşleştirilmesinin çok ötesine geçen sistematik bir süreçtir. Doğru boyutlandırma, güç ve hızdan nominal torkun hesaplanmasını, uygulamanın ciddiyeti ve görev döngüsü için uygun servis faktörlerinin seçilmesini, tepe ve şok tork olaylarının tanımlanmasını, sıcak çalışma koşullarında ve değişken hız veya ileri geri hareket eden makinelerin söz konusu olduğu durumlarda üç boyutlu yanlış hizalama zarfının ölçülmesini, kaplin sertliğinin doğal frekansları uyarı kaynaklarından uzağa yerleştirdiğini doğrulamak için bir burulma titreşimi analizi gerçekleştirmeyi gerektirir. Her parametrenin kaplin ömrü ve güvenilirliği üzerinde doğrudan etkisi vardır ve ağır endüstriyel ekipmanlarda planlanmamış bir kaplin arızası nadiren yalnızca kaplinin kendisini etkiler.
  • 2026.04.24
    Emniyetli Ayrılabilir Kaplinler Riski ve Maliyetleri Nasıl Azaltır?
    Her toplu sıvı transfer işlemi doğası gereği bir risk taşır: Bağlantı beklenmedik bir şekilde koparsa ne olur? bir emniyetli ayrılabilir kaplin Personeli, ekipmanı ve çevreyi aynı anda koruyan kasıtlı, kontrollü bir arıza noktası tasarlayarak bu soruyu olay meydana gelmeden önce yanıtlıyor. Emniyetli Ayrılabilir Kaplinin Tanımlanması Acil Durum Serbest Bırakma Kaplini (ERC) veya Ayrılabilir Kaplin (BAC) olarak da adlandırılan emniyetli ayrılabilir kaplin (SBC), bir hortum hattı, yükleme kolu veya sıvı transfer sistemi içine monte edilen bir güvenlik cihazıdır. Tanımlanmış bir çekme veya açısal yük altında ayrılan, tanımlanmış, önceden tasarlanmış bir ayırma noktası görevi görerek hortumun kopması, manifoldun yırtılması veya kontrolsüz ürün dökülmesinin çok daha yıkıcı sonuçlarını önler. Teknik tanım: Emniyetli ayrılabilir kaplin, ürün aktarma hattında yer alan ve önceden belirlenmiş bir kopma yükünde veya göreceli ayırma mesafesinde ayrılan pasif veya aktif bir güvenlik bileşenidir. Ayrılmış her bölüm, bağlantı kesildiğinde otomatik olarak sızdırmazlığı sağlayan, kendiliğinden kapanan bir kapatma vanası içerir; bu da, aradaki her iki taraftan ürünün salınması, yangın, patlama veya çevre kirliliği olasılığını ortadan kaldırır. Standart çalışma basıncı 21 bar ; çalışma sıcaklığı aralığı −196 °C ila 275 °C varyantına bağlı olarak. Pratik mühendislik açısından bakıldığında, ayrılabilir bağlantı bir transfer sistemindeki en zayıf halkadır ancak kasıtlıdır. Tasarımcı, kırılma noktasını tasarlayarak hattaki diğer tüm bileşenlerin (hortum, yükleme kolu, pompa bağlantıları ve yapısal destekler) yıkıcı yüklerden korunmasını sağlar. Bağlantı olayı emer; altyapı bunu atlatır. Emniyetli Ayrılabilir Kaplin Çeşitleri Emniyetli ayrılabilir kaplinler yekpare bir ürün kategorisi değildir. Farklı operasyonel ortamlara, akışkan türlerine ve aktivasyon gereksinimlerine hitap eden varyantlar mevcuttur. Üç ana tip endüstriyel, denizcilik ve kriyojeniktir; her biri belirli uygulamalara yönelik alt değişkenlere sahiptir. Endüstriyel Ayrılabilir Kaplin Bir ucu manifolda, boru hattına veya depoya sabitlenmiş şekilde kurulur 0°'den 90°'ye kadar herhangi bir açıda serbest bırakılır Karayolu tankeri sürüşüne ve demiryolu vagonu yüklemeye uygundur Erken serbest bırakılmadan aşırı yan yüklere dayanabilir Hat basıncından bağımsız kopma kuvveti Petrol, kimyasallar, gazlar ve gıda maddelerini kapsar Denizcilikten Ayrılabilir Kaplin İki esnek hortum dizisi arasına takılı orta hortum Açısal kuvvetle değil, yalnızca düz hat içi çekmeyle serbest kalır Gemiden gemiye ve gemiden platforma transferler için tasarlandı Geminin sürüklenmesine ve tankerin kaçış olaylarına karşı koruma sağlar Sıfır dökülme kapatması için petal valf veya flip-flap tasarımları 12 inçe kadar boyutlarda mevcuttur Kriyojenik Ayrılabilir Kaplin LNG, LN₂, LPG ve diğer kriyojenik akışkanlar için tasarlandı Özel düşük sıcaklık sızdırmazlık malzemeleri ve FKM çeşitleri Endüstriyel (sabit) veya denizcilik (orta hortum) versiyonları mevcuttur Kablo serbest bırakma veya kırma pimini etkinleştirme İkmal, yakıt ikmali ve yükleme kolu kullanımına uygundur Çalışma sıcaklığı -196 °C'ye kadar Daha gelişmiş bir alt kategori - Güç Acil Durum Serbest Bırakma Kaplini (PERC) — LNG terminali uygulamalarında kullanılır. Acil bir durumda nitrojen gazı kaplindeki boşluğu doldurarak fren cıvatalarına güvenli bir şekilde baskı yapar. PERC sistemi üç etkinleştirme modu sunar: ESD (Acil Durum Kapatma Cihazı) sinyali aracılığıyla serbest bırakma, elektrik sinyalinden bağımsız olarak manuel geçersiz kılma veya sistem gücünün tamamen kesilmesi durumunda otomatik pasif serbest bırakma; bu senaryoda standart bir ayrılabilir bağlantı işlevi görür. Emniyetli Ayrılabilir Kaplin Nasıl Çalışır? Kritik güvenlik rollerine rağmen çoğu emniyetli ayrılabilir kaplin, basit mekanik prensiplerle çalışır. Etkinleştirme sırasındaki olayların sırasını anlamak, doğru spesifikasyon, kurulum ve olay sonrası yanıt için çok önemlidir. Normal Hizmet — Her İki Yarıdan Geçen Akış Kaplin, her biri dahili bir kapatma vanasını (popet, flip-flap veya petal tasarımı) barındıran iki yarımdan oluşur. Normal çalışmada her iki valf de açık tutulur ve ürün, düzeneğin içinden serbestçe akar. Kırma cıvataları veya kesme pimleri, kurulumun özel kırma kuvveti gereksinimine göre kalibre edilmiş iki yarımı birbirine bağlar. Aşırı Yük Uygulandı - Cıvatalarda Kesme Bir çekme, uzaklaşma veya sürüklenme olayı, tasarlanan kırılma eşiğini aşan bir kuvvet uyguladığında kesme cıvataları arızalanır. Endüstriyel kaplinlerde bu durum 0° ila 90° arasındaki herhangi bir açıda meydana gelebilir. Denizcilik kaplinleri açısal yüklere dayanacak şekilde tasarlanmıştır; yalnızca düz eksenel gerilim altında serbest kalır ve geminin yuvarlanması veya şişmesinden kaynaklanan hatalı aktivasyonu önler. Anında Çift Valf Kapatma Acil durum bağlantısının kesilmesinden sonra kaplin ayrılır ve her iki valf de hemen kapanır. Bu ikili kapatma, kritik bir güvenlik işlevidir: ürünü, kırılmanın her iki tarafından da yalıtarak, hangi tarafın (kazan, tanker veya hortum tertibatı) hareket ettiğine bakılmaksızın dökülmeyi, yangın riskini ve çevreye yayılmayı önler. Saha Sıfırlama ve Servise Dönüş Sorun çözüldükten sonra kaplin sahada birkaç dakika içinde ve özel aletlere gerek kalmadan sıfırlanabilir. Yedek kesme cıvataları takılır, dahili valfler manuel olarak yeniden açılır ve iki yarım yeniden bağlanır. Satış sonrası bağlantı elemanları kalibre edilmiş kopma kuvvetini değiştirebileceğinden ve sertifikayı geçersiz kılabileceğinden, yalnızca üreticinin onayladığı cıvatalar kullanılmalıdır. Ayrılabilir Kaplin ve Acil Durumda Serbest Bırakılan Kaplin Bu terimler sıklıkla birbirinin yerine kullanılır, ancak anlamlı derecede farklı ürün özelliklerini temsil ederler. Bir güvenlik transfer sistemini devreye alırken iki önemli karar gereklidir: Koparmalı Kaplin (BAC) veya Acil Durum Serbest Bırakma Kaplininin (ERC) takılıp takılmaması ve seçilen sistemin özellikleri. Pasif Cihaz Ayrılabilir Kaplin (BAC) Tamamen mekanik aktivasyon — güç kaynağına gerek yok Fren yükü aşıldığında otomatik olarak serbest bırakılır Operatör müdahalesine gerek yok Daha düşük sermaye maliyeti ve daha basit kurulum Uzaktan tetiklenemez veya önceden serbest bırakılamaz Karayolu tankeri yüklemesi, gemiden gemiye yükleme ve endüstriyel manifoldlar için idealdir Yalnızca yedek kesme cıvatalarıyla sıfırlayın Aktif / Hibrit Cihaz Acil Durum Serbest Bırakma Kaplini (ERC) ESD sinyali, HPU veya kablo aracılığıyla uzaktan tetiklenebilir Çoklu aktivasyon modları: otomatik, manuel ve pasif arıza güvenliği ICSS ve FPSO kontrol sistemleriyle entegre olur Gelişmiş sürümler gerçek zamanlı durum izlemeyi destekler Ayrıca kontrollü, planlı hortum bağlantısının kesilmesi için de kullanılabilir LNG yakıt ikmali, FPSO ve yüksek tehlike terminalleri için gereklidir Periyodik hidrolik sistem bakımı gerektirir Önemli: FPSO operasyonlarında ERC, denizde ayrılabilir kaplin yerine geçmez. Tankerin patlaması gibi acil olaylara karşı birincil koruma olarak MBC'nin yine de kurulması gerekiyor. ERC, pompalar durdurulduğunda ve planlı bağlantı kesilmesi gerektiğinde ek bir kontrollü serbest bırakma özelliği sağlar. Aktivasyon Mekanizmaları Emniyetli ayrılabilir kaplinlerin tehlikeli bir durumu tespit etme ve tepki verme yöntemi, ürün aileleri arasında önemli ölçüde farklılık gösterir. Mevcut seçeneklerin anlaşılması seçim kararını bildirir. Kırma Pimi / Kesme Cıvatası En yaygın ve güvenilir mekanizma. Üç veya daha fazla harici kesme cıvatası iki kaplin yarısını birbirine bağlar. Eksenel veya açısal gerilim, birleşik kesme değerini aştığında cıvatalar aynı anda arızalanır ve ayrılmayı ve valfin kapanmasını tetikler. Kırılma kuvveti, hat basıncından ve yanal kuvvetten bağımsızdır; bu, geçici basınç değişimlerinin hatalı aktivasyonlara neden olmasını önleyen kritik bir performans özelliğidir. Kablo Yayını Kaplin ile sabit bir bağlantı noktası arasına paslanmaz çelik bir kablo bağlanır. Kaplin belirli bir mesafenin ötesine geçtiğinde (hortum seyahat sonuna ulaştığından) kablo bir serbest bırakma mekanizmasını çeker ve kesme cıvatalarının kopma yükü eşiğine ulaşılmadan önce kontrollü ayırmayı tetikler. Bu, arabadan uzaklaşma olaylarına daha erken ve daha nazik bir müdahale sağlar. Hidrolik / Pnömatik Güç Ünitesi (HPU) Gelişmiş ERC'ler, özel bir HPU tarafından sağlanan hidrolik veya pnömatik basınçla çalıştırılır. Tek bir HPU kontrol paneli, bir terminal veya FPSO birimi genelinde birden fazla ERC ile arayüz oluşturup aynı anda serbest bırakabilir. Otomasyon sistemleri, ESD sinyallerine, gaz algılamaya, yangın sistemlerine veya manuel konsol aktivasyonuna yanıt olarak ERC bağlantı kesme işleminin uzaktan tetiklenmesine olanak tanır. Endüstri Genelindeki Uygulamalar Emniyetli ayrılabilir kaplinler, hortumun veya yükleme kolunun planlanmamış gerilime maruz kalabileceği her yerde kullanılır. Bunların benimsenmesi, günlük tüketici altyapısından kritik enerji ve kimyasal üretim tesislerine kadar sektörleri kapsamaktadır. Perakende Akaryakıt Dağıtımı Akaryakıt istasyonu ön saha hortumlarındaki ayrılabilir kaplinler, nozül hâlâ bağlıyken bir aracın uzaklaşması durumunda pompanın yuvasından kopmasını önler. Entegre popet valfi hemen sızdırmazlığı sağlayarak yakıtın dökülmesini ve tutuşma riskini önler. Karayolu Tankeri ve Demiryolu Yüklemesi Yükleme kolu terminallerine takılan endüstriyel SBC'ler, depo altyapısını arabadan uzaklaşma olaylarına karşı korur. 0°'den 90°'ye kadar çok açılı serbest bırakma özelliğiyle aracın kalkış yönü ne olursa olsun etkinleşirler. Açık Deniz Petrol Transferi Denizcilikte ayrılabilir kaplinler, FPSO'lar ve mekik tankerleri arasındaki esnek hortum dizilerine yerleştirilmiştir. Ham petrol ve yoğuşma suyu transfer işlemleri sırasında geminin kırılmasına, aşırı basınç dalgalanmalarına ve kontrolsüz hortum kaçağına karşı koruma sağlarlar. Kimya ve Petrokimya Tesisleri Aşındırıcı, zehirli veya yanıcı kimyasallar taşıyan esnek hortumların bağlanması ve çıkarılması tekrarlanan dökülme riski taşır. SBC'ler prosesten tankere transferler, reaktör beslemeleri ve üniteler arası hortum bağlantıları için güvenilir bir güvenlik katmanı sağlar. LNG İkmal ve Terminalleri Kriyojenik ERC'ler ve PERC'ler, gemiden gemiye LNG yakıt ikmali istasyonlarında ve kıyıdaki LNG terminallerinde zorunludur. Sektördeki en iyi uygulama kılavuzları, metanol veya LNG transfer sisteminde bulunan ayrılabilir kaplinlerin, ayrılmış her bölümde kendiliğinden kapanan bir kapatma vanası içermesi gerektiğini belirtir. Yiyecek, İçecek ve İlaç PTFE kapsüllü veya elektro-parlatılmış paslanmaz çelikten hijyenik sınıf emniyetli ayrılabilir kaplinler, ürün saflığı gereksinimlerinin güvenlik gereksinimleri kadar zorlu olduğu gıda işleme ve farmasötik üretimde kullanılır. "Güvenlik ayrılabilir kaplin, bir kuvvet yükü uygulandığında veya hortum hareket sonuna ulaştığında ayrılmak üzere tasarlanmış, tasarlanmış bir arıza noktasıdır. İşlevi öncelikle hortumu ve boruları daha kalıcı hasarlardan korumaktır." Teknik Parametrelere Genel Bakış Aşağıdaki tablo, ana ürün kategorilerinde ticari olarak temin edilebilen emniyetli ayrılabilir kaplinlerin tipik teknik kapsamını özetlemektedir. Projeye özel değerler üretici veya akredite bir distribütör ile teyit edilmelidir. Parametre Endüstriyel SBC Denizcilik SBC'si Kriyojenik ERC Boyut aralığı 1″ – 6″ (DN25–DN150) 2″ – 12″ (DN50–DN300) 1″ – 8″ (DN25–DN200) Maksimum çalışma basıncı 25 bara kadar 21 bar'a kadar (uygulamaya özel) Uygulamaya özel Sıcaklık aralığı −40 °C ila 150 °C −20 °C ila 100 °C −196 °C ila −40 °C Serbest bırakma açısı 0° – 90° 0° (yalnızca satır içi) 0° – 90° veya satır içi Aktivasyon Kesme cıvatası / kablo serbest bırakma Kesme cıvatası / petal valf Kablo / hidrolik HPU / ESD Vana tipi Popet, top veya disk Petal, flip-flap veya poppet Flip-flap / kriyojenik popet Gövde malzemeleri Al, SS316, karbon çeliği SS316, Dubleks, Ni-alaşım SS316L, düşük sıcaklığa dayanıklı alaşımlar Mühür malzemeleri NBR, EPDM, FKM, PTFE FKM, EPDM, PTFE Düşük sıcaklık FKM, PTFE Zamanı sıfırla Dakika; özel alet yok Dakika (cıvata değişimi) Atölyenin yenilenmesi önerildi Bağlantı türleri NPT, BSP, ANSI flanşı, DIN ANSI flanşı, Victaulic, kaynak hazırlığı ANSI flanşı, kaynak hazırlığı Doğru Emniyetli Ayrılabilir Kaplinin Seçilmesi Yanlış seçim, hem erken etkinleştirmenin (ürün ve üretim kaybı) hem de etkinleştirme başarısızlığının (ekipman hasarı, dökülme veya yaralanma) başlıca nedenidir. Aşağıdaki kriterlerin sistematik olarak değerlendirilmesi gerekir. Uygulama türü: Endüstriyel (sabit noktalı, çok açılı) veya Denizcilik (orta hortum, yalnızca hat içi). Bu iki kategori arasındaki yanlış tanımlama en yaygın seçim hatasıdır. Kırılma kuvveti: Transfer sistemindeki en zayıf bileşenin altına, ancak termal genleşme, titreşim, hortum sertliği ve kap hareketi dahil olmak üzere normal çalışma koşulları altında beklenen maksimum dinamik yükün üstüne ayarlanmalıdır. Sıvı uyumluluğu: Konsantrasyon, sıcaklık ve herhangi bir ikincil faz varlığı (örn. H₂S, su) dahil olmak üzere gövde alaşımının, conta elastomerinin ve iç kaplamaların ürünle uyumluluğunu doğrulayın. Etkinleştirme modu: Yalnızca pasif koruma için kesme cıvatalı mekanik bir BAC yeterlidir. Uzaktan veya otomatik bağlantı kesme gerektiren uygulamalar için HPU arayüzlü bir ERC gereklidir. Çalışma basıncı ve sıcaklığı: Kaplinin nominal çalışma basıncının sistem MAWP'sini aştığından ve sıcaklık aralığının hem normal çalışmayı hem de en kötü durum sapmalarını kapsadığından emin olun. Mevzuat ve sertifikasyon gereklilikleri: Kurulum için ATEX bölgeleme, PED, Gost veya sektöre özel onayların (denizcilik sınıflandırma toplulukları, FDA vb.) geçerli olup olmadığını doğrulayın. Kurulum yönü: Kurulumun yatay mı, dikey mi yoksa açılı mı olduğunu doğrulayın ve seçilen kaplinin yönelime göre derecelendirildiğinden emin olun; bazı tasarımlar, dikey kurulumlarda yer çekiminin neden olduğu valf kaymasına duyarlıdır. Standartlar, Sertifikalar ve Uyumluluk Düzenlemeye tabi endüstrilerde kullanılan emniyetli ayrılabilir kaplinler bir veya daha fazla uluslararası standarda uygun olmalıdır. Uygulanabilir çerçeve akışkan türüne, faaliyet bölgesine ve endüstri sektörüne bağlıdır. Yükleme ve boşaltma işlemleri sırasında hortumlardaki gerginlik ve torkun ya da insan hatasının ciddi yaralanmalara, maliyetli ürün kaybına ve yıkıcı çevresel etkilere yol açabileceği durumlarda, güvenlikten kopmalar kendilerini amorti etmekten daha fazlasıdır ve bunların sertifikasyonu bu değerin temel bir bileşenidir. ISO 9001:2015 PED97/23/EC ATEX Direktifi TÜV Apragaz GOST-R MYK TDT EN 1983 / EN 14432 OCIMF LNG ve metanol yakıt ikmali için, uluslararası kuruluşlar tarafından yayınlanan sektördeki en iyi uygulama kılavuzları, transfer sisteminde bulunan ayrılabilir kaplinin, ayrılmış her bölümde kendi kendine kapanan bir kapatma vanası içermesi gerektiğini belirtir. Tüm acil durum serbest bırakma sistemlerine ilişkin tam çalıştırma talimatları, test ve muayene programları, gerekli kayıtlar ve her türlü sınırlama, tesisin kullanım kılavuzlarında ayrıntılı olarak belirtilmelidir. Talep üzerine önde gelen üreticilerden 3.1 ve 3.2 malzeme sertifikasyonu mevcuttur. 3.1 sertifikası, malzemenin test edildiğini ve partiye göre izlenebilir olduğunu doğrular; 3.2 sertifikasyonu, bağımsız üçüncü taraf doğrulamasını içerir ve kritik güvenlik uygulamaları için en yüksek düzeyde güvencenin gerekli olduğu yerlerde kullanılır. Bakım, Denetim ve Yaşam Döngüsü Yönetimi Emniyetli ayrılabilir kaplinler, minimum düzeyde rutin bakım gerektiren, büyük ölçüde pasif cihazlardır ancak sıfır bakım gerektirmezler. Yapılandırılmış bir denetim rejimi, sıvı transfer operasyonlarına yönelik her türlü güvenilir güvenlik yönetim sisteminin bir parçasını oluşturur. Rutin Muayene Kırılan cıvatalar ve contalar, özellikle uygulamanın aşırı gerilime neden olduğu veya kaplinin agresif sıvılara, UV'ye veya termal döngüye maruz kaldığı durumlarda, yıllık olarak kontrol edilmeli ve değiştirilmelidir. Açık denizde kurulan deniz SBC'leri için, üniteler genellikle üç ila beş yıllık aralıklarla, normalde hortum dizisi değişimi sırasında yenileme amacıyla çıkarılmalıdır. Aktivasyon Sonrası Protokol Planlı veya kazara herhangi bir aktivasyondan sonra, kaplin tekrar hizmete alınmadan önce her iki yarının da kontrol edilmesi gerekir. Popet veya petal valf yuvaları, O-halka olukları, birleşme yüzeyleri ve iç kaplamaların tamamında hasar olup olmadığı kontrol edilmelidir. Etkinleştirme olayı, koşullar, tarih, akışkan koşulları ve kaplin seri numarası dahil olmak üzere güvenlik yönetimi kaydında belgelenmelidir. Operatör Eğitimi Bakım personeli için üretici liderliğindeki eğitim, yedek kesme cıvatalarına doğru tork ayarlarının uygulanmasıyla kaplinlerin emniyetli, güvenilir kalmasını ve belirtilen kopma yüklerine göre hassas şekilde kalibre edilmesini sağlar. Teknisyenlerin fabrikada eğitim aldığını gösteren belgelenmiş, delil niteliğindeki yeterlilik kanıtı, mevzuat uyumluluğunu güçlendirir ve hizmet ömrü boyunca kaplin performansını korur. Kritik uyarı: Etkinleştirme sonrasında yedek parça olarak asla üçüncü taraf kesme cıvatalarını veya bağlantı elemanlarını takmayın. OEM olmayan cıvatalar nadiren aynı kesme spesifikasyonuna göre sertifikalandırılır ve etkin kopma kuvvetini değiştirerek kaplini güvensiz (erken serbest bırakma) veya işlevsiz (tehlikeli yük altında serbest bırakılamaz) hale getirebilir. Her iki sonuç da cihazın güvenlik fonksiyonunu geçersiz kılar. Çevresel ve Operasyonel Değer Güvenlikli ayrılabilir kaplinler, birincil güvenlik işlevlerinin ötesinde ölçülebilir operasyonel ve çevresel değer sağlar. Kendini feda eden kaplin görevi gören SBC, yükleme kollarında, manifoldlarda, hortum düzeneklerinde ve pompa bağlantılarında - onarılması veya değiştirilmesi çok daha pahalı olan ve ele alınması uzun kapatma süreleri gerektirebilecek varlıklar - hasar görmesini önler. Çevresel durum da aynı derecede zorlayıcıdır. Bir petrol terminalindeki yırtık bir hortumdan tek bir kontrolsüz sızıntı, düzenleyici cezalara, zorunlu iyileştirme maliyetlerine ve tüm terminalin SBC kurulumunun sermaye maliyetini çok aşan itibar kaybına neden olabilir. Bağlantı, önlenen ilk olayda kendini amorti eder. Uzaktan izlemeyle donatılmış gelişmiş ERC çeşitleri, kaplin bütünlüğü hakkında gerçek zamanlı durum verileri sağlayarak öngörücü bakım ve duruma dayalı denetim planlamasına olanak tanır. Bu veriye dayalı yaklaşım, hem operasyonel aksama süresini hem de bir denetim aralığının kaçırılma riskini azaltır; özellikle erişimin kısıtlı olduğu açık deniz veya uzak kurulumlarda değerlidir. Emniyetli ayrılabilir kaplin, akışkan transfer mühendisliğinde mevcut en uygun maliyetli yatırımlardan biridir; pahalı veya karmaşık olduğundan değil, değerinin tam olarak her şeyin ters gittiği anda fark edilmesinden dolayı. Kontrollü, öngörülebilir ve yalıtılmış bir ayırma noktası sağlayarak, potansiyel olarak yıkıcı bir olayı, kurtarılabilir bir operasyonel kesintiye dönüştürür. Doğru seçim, uygulama ortamının net bir şekilde anlaşılmasını gerektirir: endüstriyel veya denizcilik, pasif veya aktif, gereken özel fren kuvveti, sıvı uyumluluğu ve bölge ve sektöre uygun sertifika çerçevesi. Uzman bir distribütör veya üreticiyle doğrudan iletişime geçmek ve fabrikada eğitim almış bakım personeli konusunda ısrar etmek, kaplinin talep edildiğinde kritik işlevini tam olarak yerine getirmesini ve her olaydan sonra hızlı ve güvenilir bir şekilde nominal servise geri dönmesini sağlar.
  • 2026.03.27
    Kaplin Gerçekte Ne Demektir ve Uygulamanız için Doğru Kaplin Nasıl Seçilir?
    Kaplin Nedir: Kaplinlerin Tanımı ve Önemi Sorunun temel yanıtı " Hangi bağlantı Kaplin, iki dönen şaftı birbirine bağlamak ve güç iletmek için kullanılan, aynı zamanda şaft yanlış hizalamalarını telafi eden, titreşimleri emen ve mekanik ekipmanı aşırı yük koşullarında hasardan koruyan mekanik bir bileşendir. Endüstriyel uygulamalarda kaplinler motor, pompa ve fan gibi çeşitli güç aktarım sistemlerinde yaygın olarak kullanılmaktadır. Uygun bağlantı olmadan iletim sistemleri kararsız hale gelebilir, ekipman ömrünü kısaltabilir ve potansiyel olarak arızalara neden olabilir. Bu nedenle, çalışma prensibini anlamak ve kaplinlerin doğru seçilmesi, ekipman verimliliğinin artırılması açısından çok önemlidir. Kaplinlerin Temel İşlevi: Sadece Bağlantı Değil, Sistem Koruması Kaplinler yalnızca iki dönen mili bağlamak için kullanılmaz, aynı zamanda birçok önemli işleve de hizmet eder: Tork İletimi: Gücü tahrik eden uçtan tahrik edilen uca iletirler. Örneğin, 15 kW'lık bir motorun en az 98 N·m torku istikrarlı bir şekilde iletmesi gerekir. Yanlış Hizalamanın Telafi Edilmesi: Ekipman kurulumu sırasında hafif hizalama bozuklukları (örn. 0,1 mm~0,5 mm) meydana gelebilir. Kaplinler, şanzıman sistemindeki aşınmayı veya aşırı yükü önlemek için bu yanlış hizalamaları etkili bir şekilde telafi eder. Titreşim Sönümleme ve Yastıklama: Kaplinler titreşimlerin %60'a kadarını emerek sistemdeki mekanik şokları azaltır. Aşırı Yük Koruması: Bazı kaplinler aşırı yüklendiğinde otomatik olarak bağlantıyı keserek ekipmanın daha fazla hasar görmesini önler. Örneğin, bir pompa sisteminde uygun elastik kaplin kullanılması titreşimleri 2,1 mm/s'ye düşürebilir, böylece ekipmanın stabilitesi önemli ölçüde iyileştirilebilir ve servis ömrü uzatılabilir. Yaygın Kaplin Çeşitleri ve Uygulamaları: Doğru Kaplin Nasıl Seçilir Farklı çalışma koşulları için farklı bağlantı tipleri uygundur. Özelliklerini anlamak, mühendislerin kaplin seçerken bilinçli kararlar almasına yardımcı olur. Aşağıda birkaç yaygın bağlantı türü verilmiştir: Tür Maksimum Telafi Yeteneği Tipik Uygulama Özellikler Rijit Kaplin Neredeyse tazminat yok Yüksek hassasiyetli takım tezgahları Yüksek hizalama hassasiyeti gerektiren ekipmanlar için uygun, yüksek iletim verimliliği Elastik Kaplin Radyal 0,2~0,5 mm Motorlu Pompa Sistemi İyi titreşim sönümleme, yüksek titreşimli ortamlara uygun Dişli Kaplin Açı 1°~1,5° Ağır hizmet ekipmanları Yüksek torklu iletim sistemlerine uygun güçlü yük taşıma kapasitesi Disk Bağlantısı Yüksek hassasiyetli mikro telafi Servo sistemler Yüksek hızlı, yüksek hassasiyetli uygulamalar için uygun, boşluksuz Üniversal Mafsal Kaplini 15° veya daha fazlaya kadar açılar Karmaşık tahrik sistemleri Büyük açısal kaçıklıklara uyarlanabilir, dinamik açısal sistemlere uygundur Örneğin ağır makinelerde dişli kaplinler yüksek yük taşıma kapasitelerinden dolayı tercih edilmektedir. CNC ekipmanı gibi hassas kontrollü uygulamalarda disk kaplinler, sıfır boşluklu ve titreşimsiz özellikleri nedeniyle idealdir ve daha yüksek çalışma doğruluğu sağlar. Doğru Kaplin Seçimi İçin Pratik Kılavuz Ekipmanın istikrarlı ve verimli çalışmasını sağlamak için doğru kaplin seçimi çok önemlidir. Bir kaplin seçerken dikkate alınması gereken temel faktörler şunlardır: Tork Gereksinimleri: Motor gücüne ve ekipman yüküne bağlı olarak gerekli maksimum torku belirleyin. Örneğin, 10kW'lık bir motor yaklaşık 60~80N·m'lik bir tork aralığına karşılık gelir. Yanlış hizalama: Kurulumda yanlış hizalamalar (tipik olarak 0,1~0,5 mm) varsa, elastik veya disk kaplinler gibi yanlış hizalamayı telafi edebilecek kaplinler seçin. Hız Gereksinimleri: 3000 rpm'nin üzerindeki yüksek hızlı uygulamalar için, sıfır boşluklu ve yüksek hassasiyetli özellikleri nedeniyle disk kaplinler önerilir. Çevre Koşulları: Yüksek sıcaklığa veya aşındırıcı koşullara sahip ortamlar için, paslanmaz çelik veya diğer özel alaşımlar gibi malzemelerden yapılmış kaplinleri seçin. Bakım Gereksinimleri: Bazı kaplinler (örneğin dişli kaplinler) düzenli yağlama ve kontrol gerektirirken, disk kaplinler genellikle bakım gerektirmez, bu da onları uzun vadeli, kesintisiz operasyonlar için ideal kılar. Örneğin, bir su pompası üretim hattında uygun elastik kapline geçiş, titreşimlerden kaynaklanan mekanik arızaları azaltarak ekipman arıza oranlarını yaklaşık %25 oranında azaltabilir. Ayrıca elastik kaplinlerin kullanılması bakım maliyetlerini azaltır ve üretim verimliliğini artırır. Yaygın Seçim Hataları ve Bunlardan Nasıl Kaçınılacağı Kaplin seçerken yapılan yaygın hatalar şunlardır: Fiyata çok fazla odaklanmak, performansı ve kullanım ömrünü göz ardı etmek, sık sık parça değişimine yol açıyor. Yanlış hizalama sorunlarının ihmal edilmesi, erken kaplin arızasına neden olur. Tork gereksinimlerinin yanlış tahmin edilmesi, ekipmanın aşırı yüklenmesine ve kaplin ile diğer bileşenlerin hasar görmesine neden olur. Veriler, ekipman arızalarının yaklaşık %15'inin hatalı kaplin seçimiyle ilgili olduğunu ve bunun genellikle doğru hesaplamalar ve uygun seçimle önlenebileceğini göstermektedir. Doğru seçim ekipmanın stabilitesini artırır ve servis ömrünü uzatır. Kaplin Teknolojisindeki Trendler: Yüksek Performans ve Akıllı Entegrasyona Yönelik Gelişmeler Endüstriyel ekipmanlar daha yüksek verimliliğe ve akıllı sistemlere doğru geliştikçe bağlantı teknolojisi de ilerlemektedir. Kaplin teknolojisindeki çeşitli trendler şunlardır: Hafif ve Yüksek Performanslı Malzemeler: Yeni kompozit malzemeler, yüksek mukavemet ve dayanıklılığı korurken kaplinlerin ağırlığını %20 ila %40 oranında azalttı. Bakım Gerektirmeyen Tasarım: Birçok modern kaplin, bakım gerektirmeyen tasarımlara sahiptir ve arıza süresini ve bakım maliyetlerini azaltır. Akıllı İzleme: Bazı kaplinler artık gerçek zamanlı verileri (örneğin titreşim, sıcaklık) izlemek için sensörleri entegre ederek güvenliği ve verimliliği artırıyor. Bu teknolojik ilerlemeler, kaplinlerin yüksek hız ve yüksek hassasiyet taleplerine daha uygun olmasını sağlarken aynı zamanda karmaşık çalışma koşullarına uyum sağlama yeteneklerini de artırarak akıllı üretim ve otomasyonun gelişimini teşvik ediyor. Referanslar Jiang, Y. ve Liu, X. (2022). "Mekanik Kaplinler: Türleri, Uygulamaları ve Dikkat Edilmesi Gerekenler." Endüstri Mühendisliği Dergisi, 45(6), 12-25. Wang, H. ve Zhang, Z. (2021). "Ağır Makinalarda Kaplin Teknolojisi: Trendler ve Yenilikler." Üretim Sistemleri Dergisi, 39(3), 113-120. Xu, L. ve Li, J. (2020). "Titreşimli Makinalarda Elastik Kaplinlerin Performansı." Titreşim Mühendisliği Dergisi, 19(4), 233-241.
  • 2026.03.20
    GBD Motor Mili Uzatma Tambur Dişli Kaplini Güvenilir Bir Güç Aktarımı Çözümü mü?
    GBD tipi motor mili uzatma tamburu dişli kaplini (Q/YG 11003X-2018) çeşitli endüstriyel makine sistemlerinde yaygın olarak kullanılan yüksek performanslı bir güç aktarım bileşenidir. Üstün tasarımı ve güvenilirliği ile tanınan bu cihaz, ekipmanın bağlanması ve gücün verimli bir şekilde aktarılması için önemli bir araç olarak hizmet vermektedir. Kaplin, karmaşık ve zorlu çalışma koşullarında ekipmanın istikrarlı tork iletimini ve düzgün çalışmasını sağlayarak onu modern endüstriyel sistemlerin vazgeçilmez bir parçası haline getirir. GBD Kaplinlerin Temel Özellikleri ve Avantajları Yüksek Yük Kapasitesi GBD motor mili uzatma tamburu dişli kaplini is designed to handle high torque loads, making it particularly suitable for heavy-duty and high-intensity industrial environments. Its precise design ensures stable and effective power transmission across various working conditions, whether dealing with heavy loads or complex mechanical systems. Madencilik, metalurji ve kimya gibi endüstrilerde ekipmanlar sıklıkla karmaşık yük talepleri ve dinamik gerilimlerle karşı karşıya kalır. GBD bağlantısının bu zorluklara dayanma yeteneği, gücün etkili bir şekilde aktarılmasını sağlayarak ekipmanın sorunsuz ve sürekli çalışmasına olanak tanır. Dayanıklılık ve Uzun Ömür Yüksek mukavemetli malzemeler ve gelişmiş üretim süreçleriyle üretilen GBD kaplini olağanüstü dayanıklılık sergiliyor. Yüksek sıcaklık, nem, korozyon ve titreşim gibi aşırı çalışma koşullarına dayanabilir ve zaman içinde performansını koruyabilir. Örneğin, çimento fabrikası kırıcılarında GBD kaplini sık sık yapılan ağır yük operasyonlarının üstesinden gelebilir ve yüksek sıcaklık ve nem koşullarında bile düşük arıza oranını koruyabilir. Bu dayanıklılık, endüstriyel ekipmanın verimli çalışmasını sağlar ve sık bakım veya değiştirme ihtiyacını azaltır. Sorunsuz Güç Aktarımı GBD motor mili uzatma tamburu dişli kaplini ensures smooth connection between the motor and driven equipment by minimizing vibrations and backlash. In industrial applications, smooth power transmission is essential for maintaining precise machine operation. Excessive vibrations or shocks can lead to unnecessary wear and mechanical failures, while the GBD coupling's optimized design significantly reduces these risks. Ayrıca kaplin, farklı makine türleri arasında istikrarlı güç aktarımı sağlayarak bağlı ekipmanlar arasındaki yük dalgalanmalarını etkili bir şekilde azaltır ve tüm sistemin ömrünü uzatır. GBD Kaplinlerinin Endüstrilerdeki Uygulamaları Yüksek yük kapasitesi, dayanıklılığı ve istikrarlı performansı sayesinde GBD motor mili uzatma tamburu dişli kaplini madencilik, metalurji, çimento ve enerji üretimi gibi çeşitli endüstriyel sektörlerde yaygın olarak kullanılmaktadır. Madencilik Sektörü mining industry often operates in extremely harsh conditions, with equipment facing high torque, vibration, and stress. Machines like crushers, conveyors, and vibrating screens require a reliable power transmission system. The GBD coupling, with its high load-bearing capacity and resistance to high temperatures and corrosion, is the ideal choice for these heavy-duty machines. Örneğin bazı madencilik kırma sistemlerinde GBD kaplininin yüksek tork ve titreşim altında çalışması gerekir. Bu zorlu çalışma koşullarında dayanıklılığı ve stabilitesi, arıza sürelerini en aza indirmeye ve üretim verimliliğini artırmaya yardımcı olur. Metalurji Endüstrisi Metalurji ekipmanları genellikle yüksek sıcaklıklar, ağır yükler ve yüksek basınç koşulları altında çalışır. GBD motor mili uzatma tamburu dişli kaplininin mükemmel ısı direnci ve yorulma performansı, onu bu sektörde ideal bir seçim haline getiriyor. Mekanik arızaları en aza indirmek için stabil güç iletiminin gerekli olduğu çelik fabrikalarındaki haddehaneler ve konveyör sistemleri gibi ekipmanlarda kullanılır. Bir çelik üretim hattında GBD kaplini, operasyonel verimliliğin ve ürün kalitesinin çok önemli olduğu haddehanelerde hassas tork iletimi sağlar. Kaplinin bu tür aşırı koşullar altında çalışabilme yeteneği, uzun süreli istikrarlı çalışmayı garanti eder ve sık onarım ihtiyacını azaltır. Çimento Endüstrisi cement industry requires equipment to handle heavy loads and frequent operation cycles. In cement plants, machines like ball mills, mixers, and vertical mills demand high-efficiency power transmission systems. The GBD coupling performs exceptionally well in such environments, ensuring the stable operation of heavy-duty equipment and reducing maintenance needs. Örneğin, bilyalı değirmen tahrik sistemlerinde, GBD kaplinin yüksek yük kapasitesi ve aşınma direnci, değişken yük koşullarında tutarlı performans göstermesine olanak tanıyarak yüksek üretim verimliliği ve kaliteli çimento çıkışı sağlar. Enerji Üretim Sektörü Enerji üretim sektöründe, özellikle rüzgar türbinleri ve gaz türbinleri gibi büyük makinelerde ekipmanların güvenilirliği ve stabilitesi son derece önemlidir. GBD motor mili uzatma tamburu dişli kaplini, düzgün güç aktarımı sağlar ve arıza oranlarını azaltarak güç üretim sistemlerinin genel verimliliğini artırır. Rüzgar türbinlerinde GBD kaplini, dönen kanatlardan jeneratöre güç aktarımının dengelenmesine yardımcı olarak verimli enerji üretimi ve daha güvenilir bir enerji tedariği sağlar. GBD Kaplinlerin Teknik Özellikleri ve Performansı GBD motor mili uzatma tamburu dişli kaplini has several key technical features that highlight its superior performance, making it an ideal choice for various industrial applications. Tork İletim Aralığı GBD coupling is designed to efficiently transmit torque in the range of 100 Nm to several thousand Nm, covering a wide range of load requirements. This enables it to serve in both medium-load and heavy-load applications, ensuring effective power transmission in various types of industrial systems. Sıcaklık Dayanımı GBD coupling can operate within a temperature range of -20°C to 100°C, allowing it to function reliably in extreme environmental conditions. Whether in cold climates or high-temperature environments, the coupling maintains excellent performance. Titreşim Sönümleme GBD kaplini, yüksek yüklü ve yüksek titreşimli ortamlarda titreşimleri etkili bir şekilde azaltarak makine sisteminin sorunsuz çalışmasını sağlar. Bu, aşırı titreşimlerden kaynaklanan mekanik arızaların önlenmesinde, ekipmanın uzun ömürlülüğünün ve operasyonel stabilitenin sağlanmasında hayati bir rol oynar. Kurulum ve Bakım Önerileri GBD kaplini olağanüstü dayanıklılık için tasarlanmış olsa da, optimum performansın sağlanması için doğru kurulum ve düzenli bakım hala çok önemlidir. Kurulum sırasında aşırı aşınma ve arızayı önlemek için motor mili ile tahrik edilen ekipman arasında doğru hizalamanın sağlanması önemlidir. Bakımla ilgili olarak, özellikle yüksek yük veya yüksek sıcaklıktaki ortamlarda dişli dişlerinin aşınma açısından periyodik olarak kontrol edilmesi önerilir. Contaların düzenli olarak temizlenmesi ve incelenmesi, kaplinin hizmet ömrünü daha da uzatabilir. GBD motor mili uzatma tamburu dişli kaplini (Q/YG 11003X-2018) endüstriyel makine sistemlerinde güç aktarımı için gelişmiş ve güvenilir bir çözüm sunar. Yüksek yük kapasitesi, olağanüstü dayanıklılığı ve sorunsuz çalışmasıyla madencilik, metalurji, çimento ve enerji üretimi gibi çeşitli endüstrilerde temel bir bileşen olarak hizmet vermektedir. coupling’s ability to function under extreme conditions and transfer power seamlessly between motor shafts and driven equipment ensures long-lasting and stable performance. By reducing downtime, maintenance costs, and mechanical failures, the GBD coupling plays a critical role in optimizing industrial operations and enhancing the efficiency and reliability of machinery systems. Referanslar Çin Makine Endüstrisi Federasyonu. (2018). "Kaplin Teknolojisi Kılavuzu". Pekin: Çin Makine Endüstrisi Basını. Li, M. ve Wang, H. (2020). "Yüksek Yük Kaplinlerinin Tasarımı ve Uygulaması". Makine Mühendisliği ve Otomasyon, 42(5), 34-39. Zhang, W. ve Liu, Q. (2019). "Madencilik Ekipmanlarında Kaplinlerin Seçimi ve Uygulaması". Maden Makinaları, 41(3), 45-49. Chen, G. ve Wang, L. (2021). "Metalurji Endüstrisinde Yüksek Sıcaklığa Dayanıklı Kaplinlerin Araştırması ve Uygulaması". Metalurji Ekipmanları ve Teknolojisi, 39(2), 58-62. Zhang, T. ve Huang, J. (2020). "Çimento Endüstrisinde Kaplinlerin Uygulanması Üzerine Bir Araştırma". Çimento ve İnşaat Malzemeleri Mühendisliği, 38(8), 70-75.
  • 2026.03.12
    GB Tambur Dişli Kaplinleri Ağır Hizmet Endüstriyel Uygulamalarda Mekanik Aktarım Verimliliğini ve Ekipman Güvenilirliğini Nasıl Artırır?
    Modern endüstriyel sistemlerde güvenilir güç aktarımı, ekipmanın istikrarlı çalışmasını sağlamada önemli bir rol oynar. Madencilik, metalurji, çimento üretimi ve liman elleçleme gibi endüstrilerde kullanılan büyük makineler genellikle ağır yükleri kaldırabilecek ve sürekli çalışabilecek bileşenler gerektirir. Bu bileşenler arasında, GB Tambur Dişli Kaplinleri mekanik aktarım sistemlerinde yaygın olarak kullanılmaktadır çünkü mekanik aktarım verimliliğini korumaya, ekipman güvenilirliğini desteklemeye ve ağır hizmet tipi endüstriyel uygulamaların gereksinimlerini karşılamaya yardımcı olurlar. Bir tambur dişli kaplini iki dönen şaftı birbirine bağlar ve torku aralarında aktarır. Tasarımı, verimli güç aktarımını korurken belirli bir dereceye kadar yanlış hizalamaya izin verir. Endüstriyel makineler sıklıkla zorlu koşullar altında çalıştığından, uzun süreler boyunca istikrarlı performansı koruma becerisi son derece değerlidir. Bu makale, GB tambur dişli kaplinlerinin endüstriyel makine performansına nasıl katkıda bulunduğunu, bunların neden ağır hizmet ortamlarında yaygın olarak kullanıldığını ve doğru kurulum ve bakımın operasyonel değerlerini en üst düzeye çıkarmaya nasıl yardımcı olduğunu araştırıyor. Endüstriyel Ekipmanlarda Mekanik İletim Verimliliği Neden Önemlidir? Mekanik transmisyon sistemleri, enerjinin motorlardan veya motorlardan makinelerdeki çalışan bileşenlere aktarılmasından sorumludur. İletim sistemleri verimli çalıştığında, ekipmanlar daha az enerji kaybıyla ve daha kararlı çalışmayla görevlerini yerine getirebilir. Kaplinler, dişliler ve millerin tümü bu sürece katkıda bulunur. Endüstriyel ortamlarda, mekanik aktarım verimliliğindeki küçük iyileştirmeler bile enerji tüketiminin azaltılmasına yardımcı olabilir ve daha sorunsuz makine performansını destekleyebilir. Endüstriyel Makinelerde Mekanik Aktarım Verimliliğini Hangi Faktörler Etkiler? Mekanik iletim verimliliği çeşitli teknik ve operasyonel faktörlere bağlıdır. Enerjinin tahrik kaynağından tahrik edilen ekipmana etkili bir şekilde aktarılabilmesini sağlamak için güç aktarım sistemindeki bileşenlerin birlikte sorunsuz bir şekilde çalışması gerekir. İletim verimliliğini etkileyen çeşitli faktörler vardır: Dişliler ve kaplinler gibi mekanik bileşenlerin hassasiyeti Şaftların doğru hizalanması Yağlama kalitesi ve bakım koşulları Malzeme gücü ve aşınma direnci Bu faktörler doğru yönetildiğinde endüstriyel makineler daha verimli ve daha az kesintiyle çalışabilir. Tambur dişli kaplinleri Dönen miller arasında güçlü ve stabil bir bağlantı sağlayarak bu sürece katkıda bulunur. Kaplinler Güç İletim Performansını Nasıl Etkiler? Kaplinler endüstriyel güç iletim sistemlerinde merkezi bir rol oynar. Torku motorlardan konveyörler, kırıcılar ve haddehaneler gibi tahrikli makinelere aktaran milleri birbirine bağlarlar. Uygun bir bağlantı olmadan güç aktarımı kararsız veya verimsiz hale gelebilir. Tambur dişli kaplinleri, miller arasında hafif bir yanlış hizalama meydana geldiğinde bile tutarlı tork aktarımını koruyarak iletim performansını artırmak üzere tasarlanmıştır. İletim performansına katkıları şunları içerir: Bağlı miller arasında kararlı tork aktarımı Rulmanlar ve diğer bileşenler üzerinde daha az stres Mekanik sistemlerdeki hafif hizasızlıklara uyum sağlama Geliştirilmiş genel makine stabilitesi Bu özelliklerinden dolayı tambur dişli kaplinleri genellikle güvenilir ve sürekli çalışma gerektiren ekipmanlar için seçilir. Yüksek Torklu Sistemlerde Tambur Dişli Kaplinleri Neden Kullanılır? Yüksek torklu aktarım sistemleri, stabiliteden ödün vermeden ağır yüklere dayanabilen kaplinler gerektirir. Tambur dişli kaplinleri, yapısal tasarımları nedeniyle bu tür uygulamalar için çok uygundur. Tambur şeklindeki dişli dişleri, dişli dişleri arasında geniş bir temas yüzeyini korurken, şaftın yanlış hizalanmasına uyum sağlamada daha fazla esneklik sağlar. Bu yapı yükün daha eşit şekilde dağıtılmasına yardımcı olur. Yüksek torklu sistemlerde tambur dişli kaplinlerinin avantajları şunlardır: Güçlü yük taşıma kapasitesi Büyük tork iletimini idare edebilme yeteneği Şaft yanlış hizalamasına karşı geliştirilmiş tolerans Ağır çalışma koşullarında istikrarlı performans Bu özellikler onları güvenilir mekanik aktarım gerektiren endüstriyel makinelerde pratik bir çözüm haline getirir. GB Tambur Dişli Kaplinleri Ekipman Güvenilirliğini Nasıl Destekler? Ağır endüstriyel ortamlarda ekipman güvenilirliği çok önemlidir. Makineler genellikle uzun süreler boyunca sürekli olarak çalışır ve beklenmeyen kesintiler üretim programlarını kesintiye uğratabilir ve bakım maliyetlerini artırabilir. Bu nedenle şanzıman bileşenlerinin tasarımı ve kalitesi, istikrarlı çalışmanın sürdürülmesinde önemli bir rol oynar. Yüksek performanslı kaplin sistemleri, yanlış hizalama, titreşim veya ağır yüklerden kaynaklanan mekanik arıza riskini azaltırken düzgün tork iletimi sağlamaya yardımcı olur. GB tambur dişli kaplinleri, dönen miller arasında dayanıklı ve esnek bir bağlantı sağlayarak ekipmanın güvenilirliğine katkıda bulunur. Dişli tipi yapıları, bağlı ekipmanlar arasında belirli bir dereceye kadar açısal, radyal ve eksenel kaçıklığa uyum sağlarken yüksek tork aktarımına izin verir. Bu esneklik, bağlı makineler üzerindeki stresi azaltır ve hem kaplinin hem de çevredeki bileşenlerin hizmet ömrünün uzatılmasına yardımcı olur. Ayrıca, GB tambur dişli kaplinleri tipik olarak yüksek mukavemetli alaşımlı çelikten üretilir ve hassas işleme ve ısıl işlem süreçlerinden geçer. Bu üretim teknikleri, zorlu endüstriyel koşullar altında bile aşınma direncini, yük taşıma kapasitesini ve uzun vadeli dayanıklılığı artırır. Tambur şeklindeki dişli tasarımı aynı zamanda dişli dişleri arasındaki yük dağılımını da iyileştirerek bölgesel aşınmayı en aza indirir ve daha düzgün güç aktarımı sağlar. Bu avantajlar nedeniyle, GB tambur dişli kaplinleri haddehaneler, madencilik makineleri, konveyörler, vinçler ve diğer büyük endüstriyel sistemler gibi ağır iş ekipmanlarında yaygın olarak kullanılmaktadır. Yüksek yükler, şok koşulları ve sürekli çalışma altında güvenilir bir şekilde çalışabilme yetenekleri, onları ekipman performansının ve operasyonel istikrarın kritik olduğu endüstriler için güvenilir bir seçim haline getiriyor. Hangi Yapısal Özellikler Ekipman Güvenilirliğini Artırır? Tambur dişli kaplinlerinin yapısal tasarımı, zorlu koşullarda etkili bir şekilde performans göstermelerine yardımcı olur. Kavisli dişli dişleri, karşı dişliler arasındaki temas alanını artırarak yüklerin daha geniş bir yüzeye dağıtılmasına olanak tanır. Temel yapısal özellikler şunları içerir: Kavisli tambur şeklindeki dişli dişleri Geniş yük taşıyan temas alanı Yüksek mukavemetli çelik konstrüksiyon Mekanik strese ve aşınmaya karşı direnç Bu özellikler, kaplin içindeki lokal stresin azaltılmasına yardımcı olur ve endüstriyel uygulamalarda uzun vadeli güvenilirliği destekler. Dişli Kaplinleri Ekipman Titreşimini ve Yanlış Hizalamayı Nasıl Azaltır? Birçok endüstriyel makinede, termal genleşme, yük değişiklikleri veya kurulum koşulları nedeniyle mükemmel şaft hizalamasını korumak zordur. Bu nedenle kaplinlerin diğer bileşenlere aşırı gerilim aktarmadan küçük sapmalara uyum sağlaması gerekir. Tambur dişli kaplinleri, iletim sisteminde kontrollü esneklik sağlayarak bu zorluğun üstesinden gelinmesine yardımcı olur. Avantajları şunları içerir: Eksenel, radyal ve açısal sapmaların telafisi Bağlı miller arasında iletilen titreşimin azaltılması Daha sorunsuz makine çalışması Erken bileşen aşınması riski daha düşük Dengeli güç aktarımını destekleyerek bu kaplinler daha istikrarlı ekipman performansına katkıda bulunur. Doğru Yağlama Kaplin Hizmet Ömrünü Nasıl Artırır? Yağlama, dişli kaplinlerinin performansının korunmasında hayati bir rol oynar. Dişli dişleri arasındaki etkileşim, yağlamanın yetersiz olması durumunda kademeli olarak aşınmaya yol açabilecek sürtünmeye neden olur. Doğru yağlama çeşitli avantajlar sağlar: Dişli dişleri arasında azaltılmış sürtünme Metal yüzeylerin aşınmaya karşı korunması Çalışma sırasında iyileştirilmiş ısı dağılımı Uzatılmış kaplin servis ömrü Düzenli yağlama bakımı, tambur dişli kaplinlerinin iletim sistemi içinde sorunsuz çalışmaya devam etmesini sağlar. Tambur Dişli Kaplinlerini Ağır Hizmet Endüstriyel Uygulamalara Uygun Kılan Nedir? Madencilik ve çelik üretimi gibi sektörlerde kullanılan endüstriyel ekipmanların ağır yüklere dayanması ve sürekli çalışması gerekmektedir. Tambur dişli kaplinleri, kararlı mekanik iletimi korurken bu zorlu koşulları desteklemek üzere tasarlanmıştır. Tambur Dişli Kaplinlerini Yaygın Olarak Hangi Endüstriler Kullanıyor? Tambur dişli kaplinleri, ekipmanların yüksek tork ve ağır yükler altında çalıştığı endüstrilerde yaygın olarak kullanılmaktadır. Dayanıklı tasarımları onları büyük mekanik sistemler için uygun kılar. Yaygın uygulama endüstrileri şunları içerir: Haddehaneler gibi metalurji ekipmanları Kırıcılar ve konveyörler dahil madencilik makineleri Çimento üretim sistemleri Liman elleçleme ekipmanları ve vinçler Enerji üretim makineleri Bu endüstriler, ağır çalışma koşulları altında etkili bir şekilde çalışabilen güvenilir iletim bileşenlerine ihtiyaç duyar. Tambur Dişli Kaplinleri Ağır Yükleri ve Yüksek Torku Nasıl Taşır? Yüksek torku işleme yeteneği, tambur dişli kaplinlerinin ana avantajlarından biridir. Dişli dişlerinin tasarımı, kararlı çalışmayı sürdürürken büyük kuvvetleri aktarmalarına olanak tanır. Bu yetenek şu yollarla elde edilir: Güçlü alaşımlı çelik malzemeler Optimize edilmiş dişli diş geometrisi İletilen yüklerin eşit dağılımı Mekanik yorulmaya karşı yapısal direnç Bu tasarım özellikleri, tambur dişli kaplinlerinin ağır endüstriyel uygulamalarda güvenilir performans göstermesini sağlamaya yardımcı olur. Endüstriyel Standartlar Kaplin Tasarımını Nasıl Etkiler? Endüstriyel standartlar, mekanik bileşenler arasında uyumluluk, güvenlik ve performansın sağlanmasına yardımcı olur. Büyük Britanya standardı, endüstriyel ekipmanlarda kullanılan tambur dişli kaplinlerinin tasarımı ve boyutlarına ilişkin spesifikasyonlar sağlar. Standardizasyon çeşitli avantajlar sunar: Tutarlı ürün kalitesi ve güvenilirliği Uyumlu bileşenler arasında değiştirilebilirlik Basitleştirilmiş bakım ve değiştirme süreçleri Büyük ölçekli endüstriyel ekipman sistemleri için destek Üreticiler standart tasarımları takip ederek geniş bir makine yelpazesine sorunsuz şekilde entegre olan kaplinler üretebilirler. Doğru Kurulum ve Bakım Performansı Nasıl Artırabilir? Yüksek kaliteli kaplinler bile optimum performansa ulaşmak için doğru kurulum ve bakım gerektirir. Doğru kurulum, kaplinin amaçlanan mekanik sınırlar dahilinde çalışmasını sağlar. Tambur Dişli Kaplinlerinin Kurulumunda Temel Adımlar Nelerdir? Doğru kurulum, dişli kaplinin stabil çalışmasını sağlamanın ilk adımıdır. Teknisyenlerin milleri dikkatlice hizalamaları ve kaplin bileşenlerini sabitlemeleri gerekir. Temel kurulum adımları şunları içerir: Kurulumdan önce millerin ve kaplin bileşenlerinin incelenmesi Doğru mil hizalamasının sağlanması Cıvataların ve sabitleme bileşenlerinin düzgün şekilde sabitlenmesi Uygun yağlamanın uygulanması Bu adımlara dikkat edilmesi, kaplinin mekanik iletim sistemi içerisinde etkili bir şekilde çalışmasını sağlamaya yardımcı olur. Dişli Kaplinleri Ne Sıklıkta Kontrol Edilmelidir? Endüstriyel ekipmanın güvenilirliğini korumak için rutin denetimler önemlidir. Denetimler sırasında teknisyenler kaplinin ve yağlama sisteminin durumunu kontrol eder. Denetim faaliyetleri genellikle şunları içerir: Dişli dişlerinde aşınma veya hasar olup olmadığının kontrol edilmesi Yağlama seviyelerinin izlenmesi Cıvata sıkılığının kontrol edilmesi Bağlı millerin doğru hizalanmasını sağlamak Düzenli denetimler, potansiyel sorunların ekipman performansını etkilemeden önce tespit edilmesine yardımcı olur. Önleyici Bakım Ekipmanın Arıza Süresini Nasıl Azaltabilir? Önleyici bakım, küçük sorunları daha büyük sorunlara dönüşmeden önce tanımlamaya ve çözmeye odaklanır. Endüstriyel makinelerde bu yaklaşım, üretim operasyonlarının tutarlı bir şekilde sürdürülmesine yardımcı olur. Önleyici bakım uygulamaları şunları içerir: Planlı yağlama bakımı Periyodik bileşen muayeneleri Aşınmış parçaların erken değiştirilmesi Ekipman titreşimini ve performansını izleme Bu uygulamalar, uzun vadeli ekipman güvenilirliğini destekler ve beklenmedik arıza sürelerinin en aza indirilmesine yardımcı olur. Endüstriyel Dişli Kaplinlerinde Gelecekteki Gelişme Trendleri Nelerdir? Üretim süreçleri geliştikçe endüstriyel makineler de gelişmeye devam ediyor. Dişli kaplin teknolojisi de değişen endüstriyel gereksinimleri karşılamak için gelişiyor. Yeni Malzemeler Kaplin Performansını Nasıl Artırıyor? Malzeme teknolojisi, kaplin dayanıklılığını ve performansını artırmada önemli bir rol oynar. Modern kaplinler genellikle gelişmiş alaşımlı çelikler ve ısıl işlem süreçlerini kullanır. Geliştirilmiş malzemelerin faydaları şunlardır: Daha yüksek mukavemet ve yük kapasitesi Aşınmaya karşı daha iyi direnç Daha uzun servis ömrü Ağır hizmet ortamlarında geliştirilmiş güvenilirlik Bu gelişmeler, kaplinlerin giderek daha zorlu endüstriyel makineleri desteklemesine olanak tanır. Hassas Üretim İletim Verimliliğini Nasıl Artırır? Hassas üretim teknikleri, doğru dişli diş geometrisinin ve bileşenler arasında daha düzgün mekanik etkileşimin sağlanmasına yardımcı olur. İyileştirilmiş üretim süreçleri aşağıdakilere katkıda bulunur: Dişli dişleri arasında azaltılmış sürtünme Daha verimli tork iletimi Çalışma sırasında daha düşük titreşim seviyeleri Geliştirilmiş mekanik şanzıman verimliliği Bu iyileştirmeler endüstriyel iletim sistemlerinin genel performansını artırır. Modern Endüstriyel Sistemlerde Dişli Kaplinleri Hangi Rolü Oynayacak? Endüstriyel sistemlerin ölçeği ve karmaşıklığı büyümeye devam ettikçe, güvenilir iletim bileşenleri vazgeçilmez olmaya devam ediyor. Dişli kaplinleri, güçlü tork iletimi ve operasyonel stabilite gerektiren mekanik sistemleri desteklemeye devam edecektir. Modern endüstriyel sistemlerdeki rolleri şunları içerir: Ağır hizmet tipi endüstriyel ekipmanların desteklenmesi Kararlı güç aktarımının sürdürülmesi Ekipman güvenilirliğine katkıda bulunmak Gelişmiş endüstriyel makinelerin geliştirilmesinin desteklenmesi Karşılaştırma Tablosu: Tambur Dişli Kaplin ve Diğer Kaplin Tipleri Özellik Tambur Dişli Kaplini Esnek Kaplin Rijit Kaplin Tork Kapasitesi Yüksek Orta Yüksek Yanlış Hizalama Telafisi iyi iyi Sınırlı Ağır Yüklerde Dayanıklılık Ağır hizmet uygulamaları için uygundur Orta Yüksek but rigid Mekanik İletim Verimliliği Kararlı Orta Kararlı but sensitive to alignment Tipik Uygulamalar Madencilik, metalurji, çimento Pompalar, kompresörler Hassas hizalanmış miller Güçlü yapısal tasarımı, yüksek tork kapasitesini ve şaft yanlış hizalamasına yönelik esnekliği birleştiren GB tambur dişli kaplinleri, mekanik iletim verimliliğini korumada, ekipman güvenilirliğini artırmada ve ağır hizmet tipi endüstriyel uygulamaları desteklemede önemli bir rol oynar. Doğru kurulum, yağlama ve bakım ile bu kaplinler modern endüstriyel makinelerin temel bileşenleri olarak hizmet vermeye devam eder. Amerikan Dişli Üreticileri Birliği (AGMA). (2021). Dişli Kaplin Tasarım ve Uygulama Kılavuzu. ISO – Uluslararası Standardizasyon Örgütü. (2020). Mekanik Güç Aktarım Elemanları ve Kaplinleri Standartları. Makine El Kitabı. (2022). Güç İletimi ve Mekanik Bileşenler. Endüstriyel Pres. Shigley, J.E., Budynas, R.G. ve Nisbett, J.K. (2020). Makine Mühendisliği Tasarımı. McGraw-Hill Eğitimi.
Bitki Ekipmanları
FABRIKA TURU