Metalik Olmayan Elastik Elemanlara Sahip Esnek Kaplinler
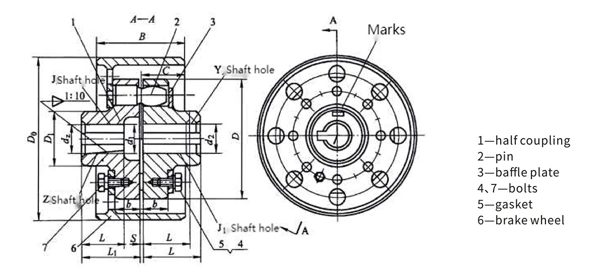
Fren tekerleği ile HCL tipi elastik pim bağlantısının temel parametreleri ve ana boyutları
| Model | Nominal tork / N·m | İzin verilen hız [n]/r·min⁻¹ | Mil deliği çapı | Mil deliği uzunluğu | D₀ | D | D₁ | B | b | S | C | Eylemsizlik anı I/kg·m² | Kütle m/kg | ||
| d₁,d₂,d z | Y tipi | J, J₁, Z tipi | |||||||||||||
| HCL1 | 560 | 5600 | 20,22,24 | 52 | 38 | 52 | 200 | 118 | 55 | 85 | 28 | 2.5 | 42 | 0.055 | 11 |
| 25,28 | 62 | 44 | 62 | ||||||||||||
| 30,32,35 | 82 | 60 | 82 | ||||||||||||
| HCL2 | 1250 | 3750 | 30,32,35,38 | 158 | 75 | 36 | 40 | 0.072 | 14 | ||||||
| 40,42,45,48 | 112 | 84 | 112 | ||||||||||||
| HCL3 | 1250 | 2430 | 30,32,35,38 | 82 | 60 | 82 | 315 | 158 | 132 | 66 | 0.313 | 25 | |||
| 40,42,45,48 | 112 | 84 | 112 | ||||||||||||
| HCL4 | 2500 | 2430 | 40,42,45,48,50,55,56 | 195 | 100 | 45 | 3 | 0.504 | 40 | ||||||
| 60,63 | 142 | 107 | 142 | ||||||||||||
| HCL5 | 2500 | 1900 | 40,42,45,48,50,55,56 | 112 | 84 | 112 | 400 | 168 | 84 | 1.192 | 59 | ||||
| 60,63 | 142 | 107 | 142 | ||||||||||||
| HCL6 | 3150 | 1900 | 50,55,56 | 112 | 84 | 112 | 218 | 120 | 1.402 | 69 | |||||
| 60,63,65,70,71,75 | 142 | 107 | 142 | ||||||||||||
| HCL7 | 3150 | 1500 | 50,55,56 | 112 | 84 | 112 | 500 | 210 | 105 | 2.872 | 91 | ||||
| 60,63,65,70,71,75 | 142 | 107 | 142 | ||||||||||||
| HCL8 | 6300 | 1900 | 60,63,65,70,71,75 | 400 | 278 | 140 | 168 | 56 | 4 | 84 | 1.800 | 88 | |||
| 80,85 | 172 | 132 | 172 | ||||||||||||
| HCL9 | 6300 | 1500 | 60,63,65,70,71,75 | 142 | 107 | 142 | 500 | 210 | 105 | 3.582 | 113 | ||||
| 80,85 | 172 | 132 | 172 | ||||||||||||
| HCL10 | 11200 | 1500 | 70,71,75 | 142 | 102 | 142 | 318 | 170 | 4.97 | 156 | |||||
| 80,85,90,95 | 172 | 132 | 172 | ||||||||||||
| 100.110 | 212 | 167 | 212 | ||||||||||||
| HCL11 | 11200 | 1220 | 70,71,75 | 142 | 102 | 142 | 630 | 265 | 132 | 9.392 | 187 | ||||
| 80,85,90,95 | 172 | 132 | 172 | ||||||||||||
| 100.110 | 212 | 167 | 212 | ||||||||||||
| HCL12 | 16000 | 1220 | 80,85,90,95 | 172 | 132 | 172 | 358 | 200 | 5 | 16.43 | 326 | ||||
| 100.110,120,125 | 212 | 167 | 212 | ||||||||||||
| HCL13 | 22400 | 1080 | 100.110,120,125 | 710 | 410 | 230 | 298 | 63 | 149 | 21.66 | 337 | ||||
| 130.140 | 252 | 202 | 252 | ||||||||||||
| HCL14 | 35500 | 1060 | 110.120.125 | 212 | 167 | 212 | 480 | 280 | 75 | 6 | 29.55 | 458 | |||
| 130.140,150 | 252 | 202 | 252 | ||||||||||||
| 160.170.180 | 302 | 242 | 302 | ||||||||||||
| HCL15 | 35500 | 950 | 110.120.125 | 212 | 167 | 212 | 800 | 335 | 168 | 41.08 | 504 | ||||
| 130.140,150 | 252 | 202 | 252 | ||||||||||||
| 160.170.180 | 302 | 242 | 302 | ||||||||||||
Not: Atalet momenti ve kütle, J/Y şaft deliği kombinasyon tipine ve minimum şaft deliği çapına göre hesaplanır.
Zhongye Ağır Sanayi Teknolojisi (Zhenjiang) Co, Ltd tanınmış bir antik kent, Zhenjiang bulunmaktadır. Ar-Ge, üretim ve satışı entegre eden bir kuruluşuz. Ürünlerimiz metalurji ekipmanları, madencilik ekipmanları, su ekipmanları, kaldırma ekipmanları, kağıt ekipmanları, liman ekipmanları ve diğer endüstrilerde yaygın olarak kullanılmaktadır.
Başlıca ürünlerimiz dişli kaplin, elastik manşon kolon pimi kaplini, elastik kolon pimi kaplini, elastik pimli dişli kaplini, evrensel bir kaplin, lastik kaplini, çene kaplini, yıldız kaplini, diyafram kaplini, tambur kaplini ve ızgara kaplini, Oldham kaplini, flanş kaplini, klips kabuk kaplini, GL tipi makaralı zincir kaplini ve bir emniyet kaplini vb. Firmamız ayrıca standart dışı kaplin tasarımları ve imalatları da üstlenmektedir.
Yeni atölye yaklaşık 16463,52 m²'lik bir alanı kapsıyor. ağır atölye 5.500 M2, Hassas atölye 4.600 m², ofis binası ve spor salonu 2000 M2, Yemekhane 500m² , Depo 1000 m², Yollar, yeşillendirme, park alanları 3563 M2.


